AZC系列智能电力电容补偿装置

为企业微电网提供能效管理和用电安全解决方案

AZC系列智能电力电容补偿装置

AZC系列智能电力电容补偿装置由智能测控单元、投切开关、线路保护单元、低压电力电容器等构成,改变了传统无功补偿装置体积庞大和笨重的结构模式,是用于节省能源、降低线损、提高功率因数和电能质量的新一代无功补偿设备。

  • 产品简介
  • 技术参数
  • 产品选型
  • 外形尺寸

应用范围:

应用于0.4kV、50Hz低压配电系统。

订货范例:

具体型号:AZC-SP1/450-10+10
技术要求:共补
通讯协议:无
辅助电源:无
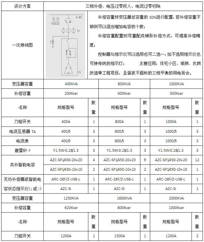
1、变压器容量为400/800/1000/1250/1600/2000KVA的三相补偿应用方案。

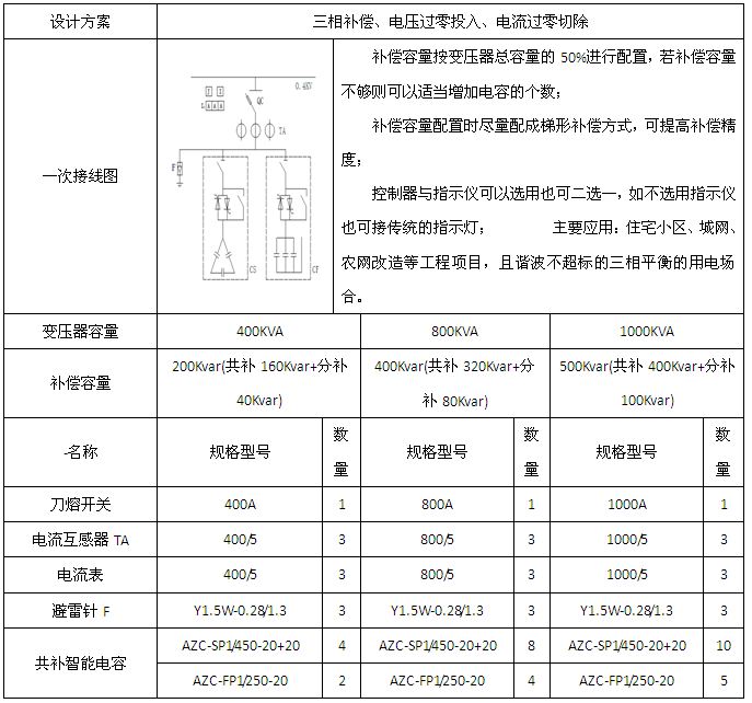
2、变压器容量为400/800/1000/1250/1600/2000KVA的单相、三相混合补偿应用方案。


产品推荐

ARCM300D组合式电气火灾监控探

ARCM300D组合式电气火灾监控探

ARCM300D组合式电气火灾监控探

...

江苏安科瑞电器制造有限公司是安科瑞电气股份有限公司[股票代码:300286.SZ]设在江苏江阴的生产基地,在智能电力仪表行业中采用无铅生产工艺、自动化生产检测设备;...

联系我们

地址:江苏省江阴市南闸东盟工业园区东盟路5号

电话:18706168052

邮箱:panli@email.acrel.cn

关注我们

友情链接: 江苏安科瑞官网 | 江苏安科瑞微电网研究院有限公司 | 微电网能量管理事业部

Copyright © 江苏安科瑞电器制造有限公司 备案号:苏ICP备08106144号-150 苏公网安备32028102003368号