ADW电力物联网仪表系列

为企业微电网提供能效管理和用电安全解决方案

ADW400环保分表计电监测模块

ADW400环保分表计电监测模块主要用于计量低压网络的三相有功电能,同时可选择四个回路的电流输入,具有RS485通讯和470MHz无线通讯功能,方便用户进行用电监测、集抄和管理。可灵活安装于配电箱内,实现对不同区域和不同负荷的分项电能计量,统计和分析。

  • 产品简介
  • 技术参数
  • 产品选型
  • 外形尺寸

应用范围:

ADW400方便用户进行用电监测、集抄和管理,特别适合环保监管类的厂区智能监管改造项目,可广泛应用于化工厂、制药厂、钢铁厂、养殖厂等产污制污的工厂。

订货范例:

具体型号:ADW400-D16--4SX
技术要求:3×1.5(6)A、3×20(100)A、 3×40(200)A、3×80(400)A、3×120(600)A
通讯协议:RS485通讯;红外通讯;470MHz无线传输

环保用电监测系统,污染监测端到端的解决方案,已广泛应用于社区和景区等区域,以及工地扬尘监测、化工园区环境监测等领域,实现了环境质量数据的实时监测、智能分析、决策辅助和应急调度的闭环流程;借助物联网平台,对其售出设备进行远程监控,可预测设备的使用状态并实现提前预警维护保养功能;研发的环保治污用电监测系统,可帮助环保监察部门提高工作效率、降低监管工作量、提升度,终实现治污目标。

ADW400尺寸图:


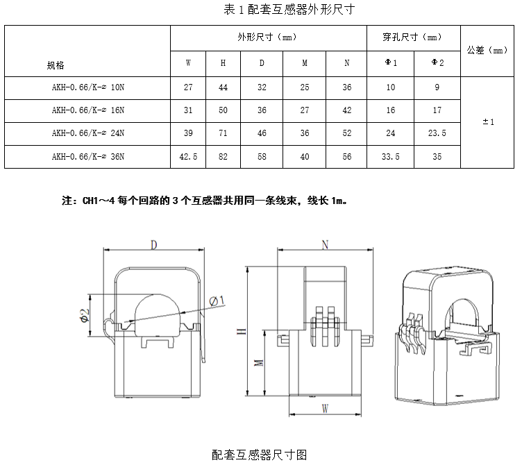
配套互感器外形尺寸:

江苏安科瑞电器制造有限公司是安科瑞电气股份有限公司[股票代码:300286.SZ]设在江苏江阴的生产基地,在智能电力仪表行业中采用无铅生产工艺、自动化生产检测设备;...

联系我们

地址:江苏省江阴市南闸东盟工业园区东盟路5号

电话:18706168052

邮箱:panli@email.acrel.cn

关注我们

友情链接: 江苏安科瑞官网 | 江苏安科瑞微电网研究院有限公司 | 微电网能量管理事业部

Copyright © 江苏安科瑞电器制造有限公司 备案号:苏ICP备08106144号-150 苏公网安备32028102003368号