服务热线:18706168052
医用隔离电源监测装置
为企业微电网提供能效管理和用电安全解决方案
GGF医用隔离电源柜
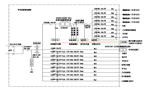
医疗IT系统装设绝缘监测装置来监测系统的绝缘状况,各输出回路采用了具有短路保护功能的断路器;其它系统输出回路则采用了具有漏电保护功能的断路器。
产品推荐
电能计量表AEM电炭表
电能计量表AEM集成了全部电力参数测量及全面的电能计量及考核管理,提供上24时、上31日以及上12月的各类电能数据统计。带有开关量输入和继电器输出可实现“遥信”和“遥控”功能...
ASCP300系列三相电气防火限流
功能:电气防火限流式保护器可有效克服传统断路器、空气开关和监控设备存在的短路电流大、切断短路电流时间长、短路时产生的电弧火花大,以及使用寿命短等弊端,发生短路故障...
1500V储能系统直流电表 导轨安
储能系统直流电能表带有双路直流输入,主要针对电信基站、直流充电桩、太阳能光伏等应用场合而设计,该系列仪表可测量直流系统中的电压、电流、功率以及正反向电能等。检测的...
ATE400无源无线测温传感器
适用于高低压开关柜内电缆接头、断路器触头、刀闸开关、高压电缆中间头、干式变压器、低压大电流等设备的温度监测,防止在运行过程中因氧化、松动动、灰尘等因素造成接点接触...
ASCP320-250B三相壁挂式限流式保
ASCP320-250B三相壁挂式限流式保护器 概述 电气防火限流式保护器可有效克服传统断路器、空气开关和监控设备存在的短路电流大、切断短路电流时间长、短路时产生的电弧火花大,以及使...
DJSF1352-D一体式直流电能表
1. DJSF1352-D一体式直流电能表 600A接入 概述 DJSF1352-D导轨式直流电能表主要针对直流充电桩设计,可测量直流系统中的电压、电流、功率以及电 能等。...
ACCU-100 微电网协调控制器
ACCU-100 微电网协调控制器是一种应用于微电网、分布式发电、储能等领域的智能协调控制器。装置满足系统满足光伏系统、风力发电、储能系统以及充电桩等设备的接入,通过对微电网...
ADL400N/200N系列MID导轨式电能表
ADL 系列导轨式多功能电能表,是主要针对于光伏并网系统、微逆系统、储能系统、交流耦合系统等新能 源发电系统而设计的一款智能仪表,产品具有精度高、体积小、响应速度快、安...
MID认证导轨式电能表出口欧洲
ADL400 导轨式多功能电能表,是主要针对电力系统,工矿企业,公用设施的电能统计、 管理需求而设计的一款智能仪表,产品具有精度高、体积小、安装方便等优点。集成常见电 力参数...
ANet-2E4SM模块化通信管理机
ANet-2E4SM模块化通信管理机是安科瑞电气股份有限公司自主研发的一款通用型智能通信管理机,将传统管理机的接口拆分成可拼装搭配的模块,其中主模块可作为标准智能通信管理机独立...
DDSY-xDM宿舍用电管理终端
DDSY-xDM单相预付费电能表(宿舍用电管理终端)主要用于计量单相交流用电,终端可以一路火线进线,三路火线并联输出分别计量照明、插座、空调回路,可进行预付费控制,并可对三路...
APM830电能质量监测仪表
安科瑞 APM830 是一款高性能的电能质量监测电力仪表 全电量测量 :可实时测量三相电压、电流、有功功率、无功功率、视在功率、功率因数、频率等各种电量参数,为电力系统的全面监...
APM5系列网络电力仪表
全电参量测量(I、U、kW、kvar、kWh、kvarh、Hz、cos); 四象限电能、分相电能、视在电能;实时需量及最大需量; 电参量本月极值和上月极值;电压电流不平衡度; 电压电流相角;...
互联网版智能直流桩系列
智能监测:充电桩智能控制器对充电桩具备测量、控制与保护的功能,如运行状态监测、故障状态监测、充电计量与计费以及充电过程的联动控制等。 智能计量:输出配置智能电能表,...
互联网版智能交流桩系列
安科瑞响应国家节能环保、绿色出行的号召,为广大用户提供慢充和快充两种充电方式,便携式、壁挂式、落地式等多种类型的充电桩,包含智能7kw交流充电桩,智能60kw/120kw直流一体式...
AMC16-DETT 基站直流电能计量模
MC16-DETT 基站直流电能计量模块主要是针对有共享需求,且开关电源无分用户电量计量功能的基站而设计的。仪表可对六个回路的直流电能进行计量,并可为配套的霍尔传感器提供工作电...
AMC16系列监控装置
该系列产品可监测多个配出回路的电参数,能对回路中的母线电压、多个配出回路的电流、功率、电能集中测量和显示,并能对各个回路的开关状态进行监测...
AMC100系列精密配电监控装置
AMC100系列精密配电监控装置是基于AMC16Z系列精密配电监控产品之后的升级版本,相比于AMC16Z系列产品,该系列产品可配套导轨式互感器,电流端子插拔式安装。提高了接线效率...
ABAT100系列蓄电池在线监测装
ABAT100系列蓄电池在线监测系统,可提供电池的电压、内阻与内部温度等电池运行信息,包括SOC、SOH,并可提前对失效的电池进行预警及电池均衡,保障电池组备电时间并延长电池组使用...
AM5SE-IS防孤岛保护装置
AM5SE-IS防孤岛保护装置主要适用于35kV、10kV及低压380V光伏发电、燃气发电等新能源并网供电系统。当发生孤岛现象时,可以快速切除并网点,使本站与电网侧快速脱离,保证整个电站和相...
AM系列微机保护测控装置
AM系列微机保护测控装置集保护、测量、控制于一体,适用于35kV及以下电压等级的用户终端变电站(所),可实现用户变电站的保护和测控。...
AMC系列交流电能表
AMC 系列可编程智能电测仪表是针对电力系统、工矿企业、公用设施、智能大厦的电力监控需求而设计的智能仪表,它集成电力参数的测量(如单相或者三相的电流、电压、有功功率、无功...
AMC系列交流电流/电压表
该系列仪表采用交流采样技术,可直接或间接测量单相电网或三相电网中某一相的电压和电流。既可 用于本地显示,又能与工控设备连接,组成测控系统。仪表可具有RS-485通讯接口,采...
AMC系列直流电流/电压表
AMC系列可编程智能电测仪表采用交流采样技术,可直接或间接测量单相电网或三相电网中某一相的电压和电流。既可用于本地显示,又能与工控设备连接,组成测控系统。 仪表可具有...
ADW310无线计量仪表
ADW310无线计量仪表主要用于计量低压网络的有功电能,具有体积小、精度高、功能丰富等优点,并且可选通讯方式多,可支持RS485通讯和Lora、4G等无线通讯方式,增加了外置互感器的电流...
ADL400多功能导轨表
该系列产品主要针对电力系统,工矿企业,公用设施的电能统计、管理需求而设计的一款智能仪表,产品具有精度高、体积小、安装方便等优点。集成常见电力参数测量及电能计量及考...
ADL200-2DM单相预付费电能表宿
ADL200-2DM 单相预付费电能表(宿舍用电管理终端)主要用于计量单相交流用电,适合于学生宿舍(公寓)用电管理。终端可以一路火线进线,两路火线并联输出,可分别计量插座、空调回...
ADL200N-CT/D24 微逆系统单相电能
ADL 系列导轨式多功能电能表(微逆系统单相电能表),是主要针对于光伏并网系统、微逆系统、储能系统、交流耦合系统等新 能源发电系统而设计的一款智能仪表,产品具有精度高、体积...
APView系列电能质量在线监测装
功能: APView系列电能质量在线监测装置采用了高性能多核平台和嵌入式操作系统,遵照IEC61000-4-30《测试和测量技术-电能质量测量方法》中规定的各电能质量指标的测量方法进行测量,...
AISD系列智能安全配电装置
AISD系列智能安全配电装置是安科瑞电气有限公司专门为低压配电侧开发的一款智能安全用电产品,产品主要针对低压配电侧人员触电安全事故、线路老化、接地故院、漏电引起电气火灾...
ARD-KHD系列抗晃电装置
ARD-KHD系列抗晃电装置,具备 晃电保持+晃电再起动功能,能够有效抵御接触器控制回路晃电引起的接触器释放,保障设备的连续性运行,为企业高效生产 保驾护航。...
ASCB1系列智能微型断路器
ASCB1系列智能微型断路器(以下简称智能微型断路器)应用于户内建筑物及类似场所的工业、商业、民用建筑及基础设施等领域低压终端配电网络。此智能断路器配合智能网关使用,对用...
AESP100系列末端多回路智慧用
AESP100系列末端多回路智慧用电在线监测装置(以下简称装置)应用于户内建筑物及类似场所的工业、商业、民用建筑及基础设施等领域低压终端配电网络。此装置配合断路器使用,对用...
ARD2M智能电动机保护器
ARD2M智能电动机保护器适用于额定电压至660V、额定电流至800A的低压电动机回路,集保护、测量、控制、通讯、运维于一体。其完善的保护功能确保电动机安全运行,带有逻辑可编程功能...
ADF400L多用户预付费集中安装
ADF400L系列多用户电能表,通过模块组合的方式最大可实现12路三相或36路单相的直接接入测量或12路三相互感器接入测量、直接接入和互感器接入的混合测量方式,该系列电能表因准确度...
嵌入式安装电能计量表
功能: 嵌入式安装电能计量表集成了全部电力参数测量及全面的电能计量及考核管理,提供上24时、上31日以及上12月的各类电能数据统计。带有开关量输入和继电器输出可实现遥信和遥...
ANSNP中线安防
大量非线性负载使用会导致中性线3N次谐波电流过大,同时,三相不平衡等问题往往也会造成中性线电流过大。而中性线电流过大非常容易导致中性线绝缘层老化起火引发火灾,存在较大...
余压监控装置
余压监控系统由余压监控器(主机)、余压控制器、余压探测器、风阀执行器、系统监控专用软件等部分或全部设备组成满足并高于GB51251《建筑防烟排烟系统技术标准》、GB50016《建筑设...
ARB5系列弧光保护装置
ARB5系列弧光保护装置外观时尚、大屏幕液晶显示,图形化多语言菜单,操作快捷方便;具有强大的功能集成:集保护、测量、控制、监测、通讯、故障录波、事件记录等多种功能于一体...
APort100串口服务器
APort100串口服务器提供串口转网络功能,能够将RS-485串口转换成TCP/IP协议网络接口,实现RS-485串口与TCP/IP协议网络接口的数据双向透明传输,使得串口设备能够立即具备TCP/IP网络接口功能...
导轨式直流电能表
DJSF1352-RN导轨式直流电能表带有双路直流输入,主要针对电信基站、直流充电桩、太阳能光伏 等应用场合而设计,该系列仪表可测量直流系统中的电压、电流、功率以及正反向电能等。...
AKH-0.66 W 型 微型电流互感器
该产品为圆型,输出为5-20mA等小电流信号,与我公司生产的AMC16多回路电力仪表配套使用,产品具有体积小,精度高,带载能力强,安装方便等优点,为用户实现多回路监控节约成本。...
AKH-0.66/Z 型三相组合式电流互
组合式电流互感器也叫三相电流互感器,产品外形美观,接线方便。外壳材料选用耐高温材料,作为电流信号采集元件,一般可与多回路电流监控装置(AMC16)、塑壳断路器等产品配套使用...
AKH-0.66/M8型实心电流互感器
一次电流较小,容量2.5VA及以下用于测量或保护,多用于低压抽屉柜等小空间场所。...
ANDPF精密列头柜
功能: 传输设备用电源分配列柜(以下简称配电列柜)是专门为传输设备提供电力分配,综合监测并采集能源数据的列柜。...
ATE200P户外表带捆绑式无线测
功能: ARTM-Pn无线测温装置:ARTM-Pn无线测温装置可以单独安装在高压柜、低压抽屉柜内,每台装置可以接收18个传感器的数据,传感器型号可选配ATE100、ATE200、ATE300。装置带有一路485接口...
ARPM-C型余压控制器
ARPM-C型余压控制器,可监控所连接余压探测器的余压值,接受余压探测器的报警信息,并向余压监控器反馈现场工作状态,当余压过高报警时联动风阀执行器调节泄压阀,能够持续调节...
DTSD1352系列导轨式安装电能计
该系列产品采用DIN35mm导轨式安装结构,体积小巧,能测量电能及其他电参量,可进行时钟、费率时段等参数设置,精度高、可靠性好、性能指标符合国标GB/T17215-2002、GB/T17883-1999和电力行...
ADW350系列基站智慧用电表
ADW350无线计量仪表主要用于计量低压网络的三相有功电能,具有体积小、精度高、功能丰富等优点,并且可选通讯方式多,可支持RS485通讯和Lora、2G、NB、4G等无线通讯方式,增加了外置...
AMC16-DETT基站铁塔用直流表
AMC16-DETT基站直流电能计量模块主要是针对有共享需求,且开关电源无分用户电量计量功能的基站而设计的。仪表可对六个回路的直流电能进行计量,并可为配套的霍尔传感器提供工作电...
ACR10R三相防逆流电能表
外置罗氏线圈和开合式互感器的导轨式谐波表,适用于冶炼、钢铁、电焊、半导体等高能耗行业的节能改造工程,也适用于分布式光伏并网柜的功率监测、电力需求侧管理等应用。具有...
智能型BA系列电流传感器
智能型BA系列电流传感器应用电磁感应原理,对电网中的交流电流进行实时测量,采用恒流和线性补偿技术,将其隔离变换为标准的直流信号输出。DC24V或12V安全电压供电,可广泛用于工...
ARD2L智能马达保护器
●ARD系列智能电动机保护器...
ALP300一体式电动机保护器
ALP300 保护器(以下简称保护器),采用单片机技术,具有抗干扰 能力强、工作稳定可靠、数字化、智能化等特点。保护器能对电动机运行过程 中出现的起动超时、过压、欠压、过载、断相...
ACR10R单相防逆流电能表
外置开合式互感器的导轨式多功能电力仪表,适用于冶炼、钢铁、电焊、半导体等高能耗行业的节能改造工程,也适用于分布式光伏并网柜的功率监测、电力需求侧管理等应用。具有无...
DDSY1352-5DM宿舍用预付费表一进
DDSY1352 单相电子式电能表(宿舍用电管理终端)主要用于计量单相交流用电,适合于学生宿舍(公寓)用电管理。终端可以一路火线进线,支持四路或五路火线并联输出,可分别计量照...
安科瑞ARD3系列分体式电动机
ARD3智能电动机保护器(以下简称ARD3),适用于额定电压至AC690V、额定电流至AC800A、额定频率为50/60Hz的电动机。产品体积小,结构紧凑,安装方便,在低压控制终端柜和1/4模数及以上各...
AF-GSM300/400电力物联网智能网
具体功能如下: 1)支持串口MODBUS RTU协议的数据采集,并通过安科瑞平台协议与安科瑞服务器通讯。 2)支持不超过30个MODBUS RTU设备的数据采集。 3)支持对每个MODBUS设备5个寄存器地址域...
穿刺夹取电压
ADW400-C4:四个带连接线的穿刺夹,可辅助穿刺取电。一组含4只,可分别穿刺四个电缆(用于有源DI接线) ADW400-C3:三个带连接线的穿刺夹,可辅助穿刺取电。一组含3只穿刺夹一根N线,...
磁钢取电压
ADW-CG8-1M:线长1米,磁钢为8*8方形,磁力较大,适用于塑壳断路器或者其他空间较大的连接处螺丝上。 ADW-CG6-2M:线长2米,磁钢为6*6圆柱形,磁力较小,适用于微型断路器的接线螺丝处。...
ABEM100BL银行用电检测预警设备
安全用电监管平台,用电检测预警设备采用有线或者无线通讯方式与主机连接,通过银行传输网络上传监控中心,确保网络安全。...
ARCM310路灯安全用电探测装置
ARCM310 智慧用电在线监控装置(以下简称装置)是针对 0.4kV 以下的 TT、TN 系统设计的智能电力装置, 具有单相交流电测量、漏电监测、温度监测、内控开合闸以及 RS485 通讯或 GPRS 无线通...
ARCM300T智慧用电在线监控装置
智慧用电在线监控装置是针对0.4kV以下的TT、TN系统设计的智能电力装置,具有单、三相交流电测量、四象限电能计量、谐波分析、遥信输入、遥信输出功能,以及RS485通讯或GPRS无线通讯...
ADL3000导轨式单三相电能表
导轨式电表采用DIN35mm导轨式安装结构、LCD显示,测量电能及其它电参量,可进行时钟、费率时段等参数设置,并具有电能脉冲输出功能;可用RS485通讯接口与上位机实现数据交换。...
DTSD1352-6S1D导轨式多回路电力
DTSD1352 - 6S1D系列导轨式多回路电力仪表主要用于多个三相回路的全电参量测量,可同时接入六个三相回路、一个单相回路的电流输入。可直接或间接测量电压电流、功率、功率因数、相...
AEM96嵌入式安装电能计量表
嵌入式安装电能计量表集成了全部电力参数测量及全面的电能计量及考核管理,提供上24时、上31日以及上12月的各类电能数据统计。带有开关量输入和继电器输出可实现“遥信”和“遥...
ACR系列网络电力仪表
该系列仪表能测量所有的常用电力参数,如三相电流、电压,有功、无功功率,电度,谐波等,并具备完善的通信联网功能,非常适合于实时电力监控系统。...
ARD3M 智能马达保护器
ARD3M 智能电动机保护器(以下简称保护器)适用于额定电压至 660V 的低压电动机回路,集保护、测量、控制、通讯、运维于一体。其完善的保护功能确保电动机安全运行,强大的逻辑可...
AFK低压复合开关
低压复合开关是低压无功补偿装置中,用于投切电容器的产品。其基本工作原理是将可控硅和磁保持继电器并联,由内部单片机控制,在投入和切除的瞬间由可控硅承担过零投切,之后...
ANSVG-S-G智慧型动态无功补偿装
智慧型动态无功补偿装置主动根据系统的线性动态需求,自动调节有源及无源模块的输出配比,ANSVG-S-G整机主要是由ANSVG-S-G模块、无源补偿电容器(TSC)、液晶显示器组成。...
ANSVG-G-A混合动态滤波补偿装置
混合动态滤波补偿装置以并联方式接入配电系统,实时监测系统的电流分量,通过控制计算及逻辑变化,计算出系统所需的无功分量及谐波分量,然后通过三相全桥换流电路实时产生系...
ALP系列线路保护器
ALP系列线路保护器集保护、测量、控制、总线通讯为一体,同时提供了远程自动控制、现场直接控制、面板指示、信号报警、操作记录、跳闸报警记录及开关量记录等功能。...
ARCM300D组合式电气火灾监控探
...
AAFD-40型故障电弧探测器
故障电弧探测器(以下简称探测器)对接入线路中的故障电弧(包括故障并联电弧、故障串联电弧)进行有效的检测,当检测到线路中存在引起火灾的故障电弧时,可以进行现场的声光...
特殊定制类电流互感器
本系列零序电流互感器为开口式,一次主绝缘由电缆保证,产品仅考核二次绕组的绝缘性能,二次绕组对地能承受3kV工频耐压。...
AEV汽车充电桩
AEV系列充电桩主要作用就是为小型电动汽车、中小型电动汽车、大型客车、出租车等提供快速充电。...
ACX智能电瓶单车充电桩
● 电瓶车智能桩具备语音播报功能。 ● 电瓶车智能充电桩可支持刷卡、扫码两种付费充电模式,具体设备支付功能以订货要求为准。扫码充电功能需与云平台联网后使用。 ● 电瓶车智...
ARC功率因数自动补偿控制器
该产品具备RS485通讯接口,其所采样得到的电压、电流、频率、有功功率、无功功率、谐波含量、功率因数、温度可通过通讯接口传送到其它外部设备。产品具备过电压、欠电压、欠流锁...
SVC动态无功补偿及滤波装置
该系列低压无功功率补偿装置集无功补偿、电网监测于一体,不但可以通过投切电容器组来补偿电网中的无功损耗,提高功率因数,降低线损,从而提高电网的负载能力和供电质量;同...
ANSVG-S-A无功有源滤波混合补偿
该系列无功谐波混合补偿装置并联在整个供电系统中,通过互感器采集信号,根据电网中负载功率因数及谐波含量的变化控制内部的无功补偿模块与有源滤波模块对系统进行无功补偿及...
ANAPF有源电力滤波器
ANAPF系列有源电力滤波器通过电流互感器采集系统谐波电流,经控制器快速计算并提取各次谐波电流的含量,产生谐波电流指令,通过功率执行器件产生与谐波电流幅值相等方向相反的补...
ANet智能通讯管理机
ANet智能通信管理机系列是一款采用嵌入式硬件计算机平台,具有多个下行通信接口及一个或者多个上行网络接口,作为信息采集系统中采集终端与平台系统间的桥梁,能够根据不同的采...
AF-GSM DTU 数据转换模块
AF-GSM是安科瑞电气推出的新型的4G远程无线数据采集设备,采用嵌入式设计,内嵌TCP/IP协议栈,同时采用了功能强大的微处理芯片,配合内置看门狗,性能可靠稳定。 本产品提供标准R...
AWT100无线通信终端
支持串口MODBUS RTU协议的数据采集,并通过安科瑞平台协议与安科瑞服务器通讯。...
ADW400环保分表计电监测模块
DW400环保监测模块主要用于计量低压网络的三相有功电能,同时可选择四个回路的电流输入,具有RS485通讯和470MHz无线通讯功能,方便用户进行用电监测、集抄和管理。可灵活安装于配电...
ADW300物联网电力仪表
ADW300物联网电力仪表主要用于计量低压网络的三相有功电能,具有RS485通讯和470MHz无线通讯功能,方便用户进行用电监测、集抄和管理。可灵活安装于配电箱内,实现对不同区域和不同负...
ADW200导轨式多回路电力仪表
ADW2xx系列导轨式多回路电力仪表主要用于低压三相回路全电参量测量,同时可选择四个回路的电流输入。可直接或间接测量电压、电流、功率、功率因数、相角、不平衡度、谐波等参数...
AEW110无线通讯转换器
AEW110系列无线通讯转换器主要用于辅助RS485设备进行无线组网,通过将通讯数据在RS485信号与无线信号之间互转,完成普通RS485设备的无线通讯。...
AEW100电力改造智能电力仪表
AEW100无线计量仪表主要用于计量低压网络的三相有功电能,具有RS485通讯和470MHz无线通讯功能,方便用户进行用电监测、集抄和管理。...
预付费售电管理系统
《ACREL- PVMS预付费售电管理系统》是与预付费电能表配套的售电管理系统。它是以售电管理软件和数据库软件为主,包括计算机、IC卡读写器、打印机等设备在内的计算机系统。主要完成...
APV光伏汇流箱
APV系列智能光伏汇流箱主要作用就是对光伏电池阵列的输入进行一级汇流,用于减少光电池阵列接入到逆变器的连线,优化系统结构,提高可靠性和可维护性。...
交流汇流箱
交流汇流箱是汇流多个逆变器的输出电流,同时保护逆变器免受到来自交流并网侧/负载的危害,作为逆变器输出断开点,提高系统的安全性,保护安装维护人员的安全性。...
PZ96B系列数显控制仪表
该系列仪表可测量直流电流、直流电压、各种类型热电偶、热电阻、电阻传感器,带DC24V电源输出可给外部两线式变压器直接供电。仪表带有多种可选功能:RS485接口、模拟量输出、开关...
电气火灾监控装置
ARCM剩余电流式电气火灾监控探测器安装在0.4kV低压配电系统中,用于检测TN-C-S、TN-S及局部TT系统中的剩余电流、温度等有关电气火灾隐患产生的电气参数,当被保护线路中监控装置参数...
消防设备电源监控装置
该装置能够对消防设备的电源进行实时监控,通过检测消防设备电源的电压、电流、开关状态等有关设备电源信息,从而判断电源设备是否有断路、短路、过压、欠压、缺相、错相以及...
防火门监控装置
AFRD防火门监控系统集中控制其各终端设备即防火门监控模块、电动闭门器、电磁释放器的工作状态,实时监测疏散通道防火门的开启、关闭及故障状态,显示终端设备开路、短路等故障...
消防应急照明和疏散指示装置
消防应急照明和疏散指示系统由控制器(主机)、集中电源(供电),分配电装置(分机)和灯具(疏散指示灯、应急照明灯)等几部分组成。该系统配合火灾报警控制器的使用,在危...
医用隔离电源柜及绝缘监测装置是根据2类医疗场所的不同配电特点而设计的,用于监控医疗IT系统的运行状况。一旦某套IT系统出现故障,电气维护人员能在时间内做出判断,并根据现场...
工业用绝缘监测装置
工业用绝缘监测装置主要用来监测IT系统(不接地系统)对地的绝缘状况,在系统出现绝缘故障时及时报警,以提醒电气维护人员对故障进行排查。...
江苏安科瑞电器制造有限公司是安科瑞电气股份有限公司[股票代码:300286.SZ]设在江苏江阴的生产基地,在智能电力仪表行业中采用无铅生产工艺、自动化生产检测设备;...
联系我们
地址:江苏省江阴市南闸东盟工业园区东盟路5号
电话:18706168052
邮箱:panli@email.acrel.cn
友情链接: 江苏安科瑞官网 | 江苏安科瑞微电网研究院有限公司 | 微电网能量管理事业部
QQ咨询
服务热线
返回顶部