ARD系列低压电动机保护器

为企业微电网提供能效管理和用电安全解决方案

ARD3M 智能马达保护器

ARD3M 智能电动机保护器(以下简称保护器)适用于额定电压至 660V 的低压电动机回路,集保护、测量、控制、通讯、运维于一体。其完善的保护功能确保电动机安全运行,强大的逻辑可编程功能可以满足各种控制要求,多种可选配的通讯方式适应现场不同的总线通讯需求,是工业智能化的理想选择。
该产品采用分体式结构,由主体、显示单元、互感器和选配的通讯模块组成,体积小巧、结构紧凑、接线简单,可适应各种柜体的安装。

  • 产品简介
  • 技术参数
  • 产品选型
  • 外形尺寸
电机烧坏的烦恼:
烦恼一:电机经常缺相、过载,怎么办?
烦恼二:水泵老是空载、欠载,怎么办?
烦恼三:电机总是相序、过欠压,咋办?
烦恼四:设备经常三相不平衡,怎么办?
电动机保护器在电机出现电流的(过流、欠流)、电压的(过压、欠压)及断相、堵转、短路、漏电、三相不平衡、过热、接地、轴承磨损、定转子偏心时、绕组老化予以报警或保护控制。
保护器的意义:
1、据不完全统计,每年仅因电机烧毁所消耗的电量就达数千万度,电机 缺相,过载而引起烧坏的数量达300多万台。
2、因电机烧毁,引起重大安全事故达5000多起。
3、因故障停工、停产造成的损失达1800万元。
应用范围:
可广泛应用于煤矿、石化、冶炼、电力、建筑等行业的配电领域。电动机保护器 是发电、供电、用电系统的重要器件,渗透制冷、电梯、包装、食品、建材、机器人、汽车、化工、纺织、医药设备、电镀、塑料造粒、航空、船舶、养殖、天车、起重机、电气电力、木工机床、密封与酒精、环保与水处理等行业的用电领域。
产品执行标准
——GB 14048.4-2010低压开关设备和控制设备第 4-1 部分:接触器和电动机起动器机电式
接触器和电动机起动器(含电动机保护器);
——JBT 10736-2007 低压电动机保护器。

我们有哪些认证?
1、3C强制性认证。
2、与增安电机配合曲线认证。
保护器是否配电流互感器?
ARD2、ARD2F、ARD3配电流互感器,但1A/5A规格,不配一次互感器。
哪个电动机保护器型号能做双通讯?
ARD3T能做双通讯
电厂项目的电动机保护器应该怎么选型号呢?
 电厂项目一般需要电压、电流全电量参数测量,带有通讯,保护器需要有自诊断输出、断电输出、故障记录,部分项目需要SU(抗晃电功能)、双通信功能。推荐型号:非双通讯ARD3-XX/ CSU – 90L / ARD3T-UAXX/ SU 60L;双通讯推荐ARD3T-UAXX/ C SU 60L;说明:选SU功能,默认带有U和SR功能
纸业项目的电动机保护器应该怎么选型号呢?
纸业项目一般需要电流测量,部分需要通讯、电压、漏电功能。推荐型号:ARD3-XX/ U C L – 90L  /ARD3T-UAXX/ L2 60L
成功案例
电厂项目:重庆白涛化工园热电联产      淄博热电厂     济南北郊      塔吉克斯坦燃煤电厂     佰能
塔吉克斯坦燃煤电厂     赞比亚电厂     加格达奇热电厂     华润盘锦热电厂     魏桥铝电
常德市生活垃圾焚烧发电    满洲里热电厂     大唐电厂     陕西华电
石化项目:垦利石化    四川永祥     盘锦浩业化工项目      宁夏保利达化工
上海石化    淄博电业局集采荣源化工    山东宏信化工     盘锦石化   南宁化工
山东联化化工    浙江化工院有限公司车间处理     山东民基化工   燕山20万吨液化气改造
南宁化工长庆油田    安瑞加石油化工项目
纸业项目:福建联盛纸业    威海龙港纸业    新阳纸业   广州越威纸业    湛江晨鸣纸业
东莞白天鹅纸业    广东玖龙纸业     广东乳源东阳光药业    广东顺龙木业   杭州新华纸业有限公司
好当家海盛纸业   河南龙丰纸业    河南裕农纸业   华发纸业(福建)    吨高强瓦楞原纸项目 
华泰纸业    浙江新华纸业
水泥项目:白川水泥   泰山石膏   蒙西水泥   蒙古国水泥厂     祁连山成县水泥
湖北华新水泥    河北天福水泥   哈尔滨水泥厂   陕西满意水泥     甘肃省祁连山文县水泥
甘肃省祁连山成县水泥    甘肃省祁连山樟县水泥

技术指标
ARD3M 智能马达保护器
ARD3 功能配置
ARD3M 智能马达保护器
ARD3M 智能马达保护器
ARD3M 智能马达保护器
 
型号说明
ARD3M 智能马达保护器
ARD3M 标配开关量数量为 10DI、6DO,开关量类型如表 1 所示:
ARD3M 智能马达保护器
ARD3M 电流规格与适用电机额定电流、功率对应关系见表 2:
ARD3M 智能马达保护器
ARD3M 附加功能见表 3:
ARD3M 智能马达保护器
ARD3M 显示模块见表 4:
ARD3M 智能马达保护器
面板尺寸与开孔
ARD3M 智能马达保护器
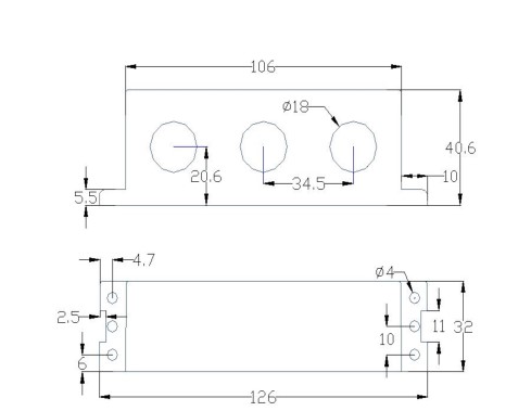
主体与模块尺寸
主体模块:
PROFIBUS 通讯模块:
PROFINET 通讯模块:
互感器安装尺寸
注:引出线黄、蓝、红、黑对应A、B、C、公共端。
互感器部分(保护器电流规格为 1、5、25、100 时所配电流互感器)
互感器部分(保护器电流规格为 250A 时所配电流互感器)
互感器部分(保护器电流规格为 800A 时所配电流互感器)
互感器部分(漏电互感器)
注:引出线为双芯屏蔽线,标配长度为 1m±10cm,客户可根据需要定制。L-45 规格的
漏电互感器适用于 100A 及以下电流规格的保护器,L-80 规格的漏电互感器适用于 250A 电
流规格的保护器,L-150 规格的漏电互感器适用于 800A 电流规格的保护器。

江苏安科瑞电器制造有限公司是安科瑞电气股份有限公司[股票代码:300286.SZ]设在江苏江阴的生产基地,在智能电力仪表行业中采用无铅生产工艺、自动化生产检测设备;...

联系我们

地址:江苏省江阴市南闸东盟工业园区东盟路5号

电话:18706168052

邮箱:panli@email.acrel.cn

关注我们

友情链接: 江苏安科瑞官网 | 江苏安科瑞微电网研究院有限公司 | 微电网能量管理事业部

Copyright © 江苏安科瑞电器制造有限公司 备案号:苏ICP备08106144号-150 苏公网安备32028102003368号