ADW电力物联网仪表系列

为企业微电网提供能效管理和用电安全解决方案

ADW200导轨式多回路电力仪表

ADW2xx系列导轨式多回路电力仪表主要用于低压三相回路全电参量测量,同时可选择四个回路的电流输入。可直接或间接测量电压、电流、功率、功率因数、相角、不平衡度、谐波等参数。 还可通过其RJ45接口扩展辅助功能,实现DI、DO、测温、剩余电流测量,以及2G、4G、LoRa、LoRaWan、NB-Lot无线通信功能。

  • 产品简介
  • 技术参数
  • 产品选型
  • 外形尺寸

ADW2xx系列导轨式多回路电力仪表主要用于低压三相回路全电参量测量,同时可选择四个回路的电流输入。可直接或间接测量电压、电流、功率、功率因数、相角、不平衡度、谐波等参数。 还可通过其RJ45接口扩展辅助功能,实现DI、DO、测温、剩余电流测量,以及2G、4G、LoRa、LoRaWan、NB-Lot无线通信功能。
应用范围:

ADW2xx系列导轨式多回路电力仪表方便用户进行用电监测、集抄和管理。可灵活安装于配电箱内,实现对不同区域和不同负荷的分项电能计量,统计和分析。

订货范例:

具体型号:ADW200-D10-4S-MK
技术要求:100A
通讯协议:RS485接口、Modbus-RTU协议
辅助电源:AC/DC 85~265V

主要技术参数:


模块技术参数:


其他技术参数:

ADW2xx系列主体及模块尺寸图:


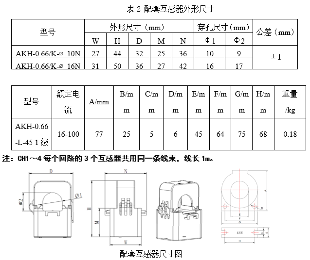
配套互感器外形尺寸:

江苏安科瑞电器制造有限公司是安科瑞电气股份有限公司[股票代码:300286.SZ]设在江苏江阴的生产基地,在智能电力仪表行业中采用无铅生产工艺、自动化生产检测设备;...

联系我们

地址:江苏省江阴市南闸东盟工业园区东盟路5号

电话:18706168052

邮箱:panli@email.acrel.cn

关注我们

友情链接: 江苏安科瑞官网 | 江苏安科瑞微电网研究院有限公司 | 微电网能量管理事业部

Copyright © 江苏安科瑞电器制造有限公司 备案号:苏ICP备08106144号-150 苏公网安备32028102003368号