解决方案

为企业微电网提供能效管理和用电安全解决方案

余压监控系统

余压监控系统
 
  • 系统简介
  • 系统结构
  • 系统功能
  • 设备选型
01 概述
1.1 系统设计的必要性
        机械加压送风系统中为什么要设计旁通阀控制加压送风的正压值?火灾发生后,又能起到什么作用呢?
众所周知,发生火灾时,绝大多数的人员伤亡不是因为火,而是烟气,随着可燃物的燃烧产生大量的高温烟气,烟气中含有 大量未完全燃烧的有毒、有害物质,通过人的呼吸道吸入体内,对人员的生命安全造成严重威胁。
        为了控制火势蔓延、阻止烟气扩散。加压送风系统的送风口出风可使楼梯间及消防前室形成正压,阻挡有害烟气进入人 的疏散通道。但是当加压送风系统送风量及送风时间不可控时,正常的逃生路线有可能会因为前室正压过大,防火门无法开启而 造成的严重后果。鉴于上述考虑,公安部四川消防科学研究所结合国际经验提出余压值的数据。压差控制系统可通过控制旁通阀 的开闭,将机械加压送风系统的余压值控制在国标要求的合理范围内-----防烟楼梯间40-50Pa,前室、合用前室、消防电梯 间前室、封闭避难层(间)为25-30Pa。这样既阻止了有害烟气的进入,也确保了防火门在需要人员疏散时可以正常开闭。
        该系统符合GB51251《建筑防烟排烟系统技术标准》及GB50016《建筑设计防火规范》等相关国家标准中的功能需求。
 
1.2 应用背景
        1)  建筑发生火灾时,得确保防烟楼梯间、避难走道及其前室的防烟性能要求。
        2)  从防烟角度讲,机械加压送风系统的余压过低不利于防烟,因此余压越高越好。
        3)  由于疏散门的方向是朝疏散方向开启,而加压送风作用方向与疏散方向恰好相反,若余压过高则会导致疏散门两侧压差 过大导致门无法正常开启的情况,影响人员疏散和消防人员施救。
        4)  加压送风系统的设计,首先应建立在安全疏散的基础上。
        5)  目前加压送风系统本身,没有能力来判断加压区是否保持一定压力,或加压区泄漏过大,压力达不到标准,起不到防烟作用,或因压力过大而造成疏散门阻塞的情况。
        6)  设计安装余压监控系统,可解决疏散门两侧压差过大而导致门无法正常开启的故障,保证了疏散通道的安全疏通, 使加压送风系统处于合理的工作状态,从而为在火灾情况下人员的疏散和营救提供有力的保障。
 
1.3 设计依据
        加压送风作为一种防烟方式,在国内外高层建筑设计中已被广泛接受与采用。无论国内或国外的防火规范,都有一致的加压要求,即应使在火灾时,楼梯间余压值(40-50Pa)>前室余压值(25-30Pa)>走廊。
        火灾发生时,加压送风系统的送风口出风可使楼梯间及消防前室相对走道形成加压,阻挡有害烟气进入人的疏散通道,保证 防火门正常开启,为火灾发生时人员的安全撤离保驾护航。但送风口长时间开启可使防火门两端压差过大,无法正常开启,导致人员无法撤离的严重后果,结合国内外有经验国家对正压送风系统做了如下要求:
        ※ GB50016-2014《建筑设计防火规范》
        8.5.1 建筑的下列场所或部位应设置防烟设施:
        1)防烟楼梯间及前室;
        2)消防电梯间前室或合用前室;
        3)避难走道的前室、避难层(间)。
        ※ GB51251-2017《建筑防烟排烟系统技术标准》
        3.4.4 机械加压送风量应满足走廊至前室楼梯间的压力呈递增分布,余压值应符合下列规定:
        1)前室、封闭避难层(间)与走道之间的压差应为25Pa-30Pa;
        2)楼梯间与走道之间额压差应为40Pa-50Pa;
        3)当系统余压值超过允许压力差时应采取泄压措施。
        5.1.4 机械加压送风系统宜设有测压装置及风压调节措施。
        5.1.5 消防控制设备应显示防烟系统的送风机、阀门等设施的启闭状态。
        ※ GB50016-2006《建筑设计防火规范》(以下具体系统设计条款仍执行)
        9.3.3 防烟楼梯间内机械加压送风防烟系统的余压值应为40-50Pa;前室、合用前室应为25-30Pa。
        ※ GB500045-95《高层民用建筑设计防火规范》(2005年版)(以下具体系统设计条款仍执行)
        8.3.7 机械加压送风机的全压,除计算不利环管道丫头损失外,尚应有余压。其余压值应符合下列要 求:
        8.3.7.1 防烟楼梯间为40Pa-50Pa。
        8.3.7.2 前室、合用前室、消防电梯间前室、封闭避难层(间)为25Pa-30Pa。
        ※ GB50098-2009《人民防空工程设计防火规范》
        6.2.1 防烟楼梯间送风余压值应为(40-50)Pa,前室或合用前室送风系统的余压值应为(25-30)Pa。
        6.2.2 避难走道的前室送风余压值应为(25-30)Pa。
        ※ 全国民用建筑工程设计技术措施
        4.10.10 加压送风系统的余压值超过规定数值较多时,宜设置泄压阀或旁通阀等装置。
        ※ DGJ08-88-2006《建筑防排烟技术规程》(上海)
        3.3.6 当系统的余压超过压力差时,应设置余压调节阀或采用变速风机等措施。 
 
1.4 系统简介
        余压监控系统能实时采集监控区域压力变化等工作状态,对非正常状态的余压进行报警提示并记录。
        当防烟楼梯间或前室余压值达到超压监控值时,余压探测器发出报警信号,余压控制器打开加压风机风管上的旁通阀泄压;余压回落到正常区间值后,余压探测器发出信号,余压控制器关闭旁通阀,通过控制旁通泄压阀的开启,来保持余压值稳定在规范要求的区间值内。
       余压监控系统由余压监控器(主机)、余压控制器、余压探测器、风阀执行器、系统监控专用软件等部分或全部设备组成满 足并高于GB51251《建筑防烟排烟系统技术标准》、GB50016《建筑设计防火规范》和GB50098《人民防空工程设计防火规范》等相关国家标准中的功能需求。
 
02 设计依据 
        设计原则:
       主机设置在消控中心;
       控制器设置在风机箱内,控制器/风阀执行器与送风风机比例为1:1;
       余压探测器设置在前室为每个前室设置一套,设置在楼梯口时为1/3和2/3除各设置一套;
       图上产品清单为:
       主机:1套
       控制器:2套
       风阀执行器:2套
       余压探测器:33+2=35套
       余压探测器副面板:35套

 


03 ARPM100/B3 余压监控器
        产品特点:
        1)满足国家标准GB51251-2017《建筑防烟排烟系统技术标准》
        2)与余压控制器、余压探测器、风阀执行器等配接,灵活构建大容量疏散通道余压监控系统
        3)可通过余压控制器监控疏散通道余压变化,适应现代建筑复杂多变的要求
        4)抗干扰能力强,可以长距离供电
        5)提供2条RS485通讯回路,每条回路可连接32个余压控制器
 
04 余压探测器
4.1 ARPM-S/1余压探测器
4.1.1 产品特性
        1) 电源:15-28VDC(二总线)
        2) 工作电流:<4mA
        3) 测量范围:-1000Pa~1000Pa
        4) 通讯方式:二总线
        5) 尺寸:86mm*86mm*20mm
        6) 安装孔距:60mm
        7) 安装方式:86盒安装
        8) 工作温度:-20℃~70℃
        9) 储存温度:-40℃~85℃
 
4.1.2 LED显示
        1) 运行指示灯:当设备正在处于通讯状态时,运行指示灯闪烁。
        2) 故障指示灯:当设备自校准失败时,故障指示灯点亮。
        3) 报警指示灯:当探测器检测到余压差值超出设定值时,报警指示灯点亮。
 
4.1.3 安装方式 
       本模块采用通用于86盒安装方式,水平安装孔距为60mm。探测器的工作电源为15-28VDC,请保证接线末端的电压符合工作电 源的范围。使用橡胶软管与低压气嘴相连,软管另一端接到低压区。(设备若安装在低压侧,则用橡胶软管与高压气嘴相连,软 管另一端接到高压区。)
 
4.2 ARPM-S/2余压探测器
4.2.1 产品特性
        1) 尺寸:86mm*86mm*20mm
        2) 安装孔距:60mm
        3) 安装方式:86盒安装
        4)工作温度:-20℃~70℃
        5) 储存温度:-40℃~85℃ 
 
05 ARPM-C余压控制器
5.1 产品特性
        1) 工作电源:AC220V 50Hz
        2)功耗: 待机状态<3W,动作状态<10W
        3) 执行输出:24V(接执行器)
        4) 开关量输入:2路
        5) 开关量输出:1路继电器输出
        6) 通讯:1路二总线、1路RS485
        7) 通讯距离:500m
        8) 安装方式: 导轨式安装
        9) 工作温度范围: -20℃~60℃
        10)储存温度范围:-30℃~80℃
        11)环境湿度:相对湿度≤90%,不结露
        12)防护等级:IP30
        13)产品符合:GB16806-2006 
 
5.2 外形尺寸
 
 
5.3 连接图
 
06 ARPM-DC24V风阀执行器
       
        产品特点:
       1)满足国家标准GB51251《建筑防烟系统技术标准》及GB 50016《建筑设计防火规范》等相关国家标准中的工能要求
       2)接收余压控制器命令,控制调节旁通泄压阀的开、闭角度
       3) 可选择旋转角度,转接头,设置独立的运行时间,具有手动控制按钮
       4) 采用DC24V工作电压确保系统稳定和人身安全
 
07 设计选型
 
 
08 设计规程
8.1设计规程
        1)系统应根据建筑物内机械加压送风系统设置的具体情况,采用分断设计的控制方式,确定余压控制器和余压探测器的设 置部位、数量与形式;
        2)余压控制器和余压探测器的实时工作状态及故障报警等信息,应通过通信接口,并联接入加压风机控制箱内的余压监控 系统总线,将各类信息上传至消防控制室内的余压监控器(主机),进行统一监测管理、显示并存储,以便于值班人员随时掌控 和了解设备运行情况;
        3) 余压监控器与余压控制器之间采用RS485通讯方式,485回路的总线采用NH-RVSP-2*1.5mm2 的通讯线缆,通讯距离一般在 500米以内,余压监控器可连接64个余压控制器;
        4) 余压控制器与余压探测器之间采用二总线通讯方式,二总线回路的总线采用NH-RVSP-2*2.5mm2 的通讯线缆,通讯距离一 般在500米以内, 防烟楼梯间、前室楼板垂直敷设,余压控制器可连接128个余压探测器;
        5) 系统的设置不应影响机械加压送风系统的正常工作。
 
8.2 设置场所
        在设有机械加压送风系统的场所,应设置余压监控系统。
8.3 设置范围
        1)每台加压送风机配电控制箱内应设置余压控制器;
        2)防烟楼梯间及其前室设置余压探测器;
        3) 消防电梯间前室或合用前室应设置余压探测器;
        4)避难走道的前室,避难层(间)应设置余压探测器。
 
8.4 设置部位
余压控制器的设置
        1)余压控制器的设置数量,与机械加压送风机的数量为一对一的关系;
        2)余压控制器应设置在加压送风机控制箱内,控制箱内预留一路220V电源做为余压控制器的工作电源;
 
余压探测器的设置
        1)防烟楼梯间的前室或合用前室,应每层前室设一台余压探测器;
        2)应在楼梯间高度约为三分之一和三分之二处(层)各设置一台余压探测器;或宜在设有加压送风口处(层), 设 一 台 余 压探测器;
        3)余压探测器应设置在高压区(楼梯间、前室区域疏散门侧),距顶0.2至0.5米壁挂安装,采用底座直接固定在预埋86盒上。

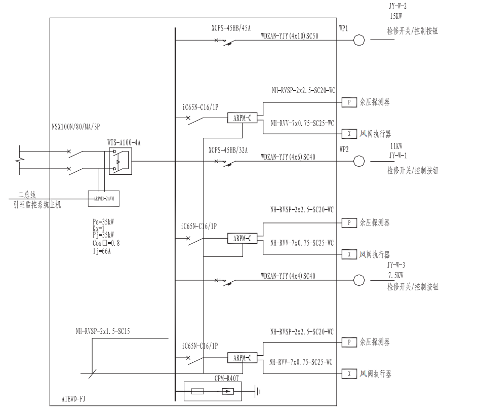
09 设计应用图例
9.1 疏散通道余压监控系统图
疏散通道及前室余压监控系统图
        设计说明:
        ①本工程根据中华人民共和国国家标准GB50045-95《高层民用建筑电气设计规范》的规定,设置疏散通道余压监控系统。
        ②疏散通道余压监控系统采用消防二总线,通讯总线(带DC24V电源)NH-RVSP-2*2.5mm2 -SC20。
        ③ARPM100/B3余压控制器应能显示与其连接余压探测器监测区域的余压,超过规范规定值时,应能报警。
        ④ARPM-C余压控制器收到超压报警后,可连续调节风阀执行器开启角度,进行泄压。
        ⑤ARPM-DC24V风阀执行器应能向余压控制器反馈开启角度。
        ⑥ARPM100/B3余压监控主机应能记录与其连接的余压控制器和余压探测器的状态信息,当出现报警故障时应能发出声光报警。
        ⑦楼梯间及合用前室均采用加压送风的防烟方式,正压送风每层设置一个送风口,风口采用远控多叶送风口,送风口平时关闭;当发生火灾余压差有变化时,余压控制器接收到余压探测器的信息,调节泄压阀控制余压在合理范围内。
        ⑧当合用前室有2个或2个以上的余压探测器压力数据与大气压力差值大于30Pa时,联动打开泄压阀,调节泄压阀的开度,使其余压差趋近设置值;当楼梯间的余压探测器压力数值与前室压力差值大于30Pa时,联动打开泄压阀,调节泄压阀的开度,使其余压差趋近设置值。
        ⑨系统的施工按照批准的工程设计文件和施工技术方案进行,不得随意变更。如确需变更设计时,应由设计单位负责更改并经审图机构审核批准。
 
9.2 余压监控系统配电图
 
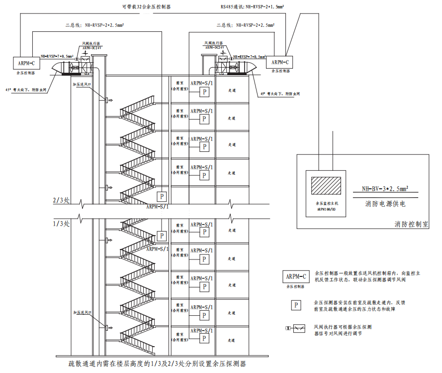
9.3 余压探测器平面图
 
余压探测器平面示意图
        注∶
        1.前室每层均设余压探测器
        2.楼梯间在约1/4和3/4高度处各设置一台余压探测器
        3.引压用的气管可根据现场实际情况装于墙面或吸顶安装均可
        4.余压深测器通过N-IYSP-2x2.5m2-SC20-C,沿楼板垂直敷设至风间控制箱
 
9.4 余压探测器立面安装示意图
 
9.5余压监控系统结构图
 
        设计说明:
        ①余压监控器(主机)与余压控制器之间是485通讯,连接方式为手拉手连接,线型NH-RVSP-2*1.5mm2 ,通讯距离为500米;
        ②主机支持2路RS485通讯回路,每条回路可连接32个余压控制器;
        ③余压控制器与余压探测器之间为二总线通讯,通讯距离500m,线型NH-RVSP-2*2.5mm2;
        ④一只余压控制器可带120个余压探测器。
 

 

江苏安科瑞电器制造有限公司是安科瑞电气股份有限公司[股票代码:300286.SZ]设在江苏江阴的生产基地,在智能电力仪表行业中采用无铅生产工艺、自动化生产检测设备;...

联系我们

地址:江苏省江阴市南闸东盟工业园区东盟路5号

电话:18706168052

邮箱:panli@email.acrel.cn

关注我们

友情链接: 江苏安科瑞官网 | 江苏安科瑞微电网研究院有限公司 | 微电网能量管理事业部

Copyright © 江苏安科瑞电器制造有限公司 备案号:苏ICP备08106144号-150 苏公网安备32028102003368号