技术文章

为企业微电网提供能效管理和用电安全解决方案

安科瑞分布式光伏监控系统在德天建材3.79mw光伏10kV(一期)项目中应用

责任编辑:安科瑞潘丽:18706168052 阅读量: 发表时间:2025-08-05 11:16
0

一、概述

自20世纪后期以来,在社会快速发展,传统的大电网供电虽然能够满足大部分用户的用电需求,但由于电能资源分配存在不均衡性,而且不同地区、不同类型电能用户对电能的需求存在差异性、阶段性特点,大电网供电灵活性不足的问题[1]。分布式光伏不受地区的限制,具有灵活的特性,可以弥补大电网灵活性不足的问题。

分布式电源光伏发电系统,是一种借助(或主要借助)光伏发电系统进行作业的分布式电源,可以实现对大电网用电的调配、补充。光伏发电系统(PVsystem)是分布式电源系统的一种形式,可以借助太阳能电池、逆变器、控制器、蓄电池等设备进行光电转换和存储,具有无污染、使用寿命长(8万小时)、可靠性高、可独立工作、适用性广等优势,且能够实现并网运行[2]。

六安市德天建材有限公司屋顶光伏发电项目(以下简称“本项目")是响应国家“优化能源结构,提供更加清洁、可靠的能源"的号召,投资建设的分布式光伏发电应用示范项目。

本项目位于六安市德天建材有限公司厂区内,利用现有厂房屋顶建设分布式光伏发电项目,总建设规模约为5.5MWp。光伏发电组件位于六安市裕安区高新技术产业开发区润南路与工业路交叉口六安德天建材有限公司内,通过用户配电站接入公共电网,属于六安市城郊供电公司管理范围。

本期项目采用高效光伏组件,总容量为3.79WM,本项目电量结算原则为:自发自用,余电上网。项目计划2024年10月底建成投产。本项目二次设计选用安科瑞Acrel-1000DP分布式光伏监控系统解决方案,光伏监控平台采用在国产凝思操作系统下运行,使得本地保护、监控方案更为稳定可靠。通过本次分布式光伏的投建与实施,为用户提供了清洁、可再生的电力能源,有助于减少对传统能源的依赖,降低碳排放。

本文介绍光伏电站接入系统方案的论证,系统继电保护及安全自动装置、系统通信、系统调度自动化方案研究等。

安科瑞分布式光伏监控系统在德天建材3.79mw光伏10kV(一期)项目中应用

项目现场图

二、解决方案

本项目为屋顶分布式光伏项目,该期项目的容量为3.79MW,项目采用自发自用余电上网的消纳方式。利用原有的电源点作为光伏高压并网点并入电网端,并网点设置光伏出线柜柜,计量柜,PT柜,光伏集线柜1,光伏集线柜2,站用变柜,SVG出线柜。新增的光伏系统配置自动化系统,实时采集并网信息,信息上传至当地调控中心DMS系统。光伏发电逆变器电源电压为1000V,经箱变升压变升压至10kV后,通过高压电缆接入新增的10kV光伏进线柜,通过并网柜并入原10kV市电高压柜。项目采用Acrel-1000DP光伏监控平台,操作使用了国产凝思系统。监控平台具有对全站数据的实时观测、事故告警提示等功能。

安科瑞分布式光伏监控系统在德天建材3.79mw光伏10kV(一期)项目中应用

项目一次图

三、技术方案

本项目一期规模约为3.79MWp,利用厂房屋顶建设光伏发电系统,关键设备光伏组件、逆变器、变压器等采用国内产品。分布式光伏系统所发电量采用就地消纳,自发自用,余电上网。本项目光伏发电系统所输出的直流电经组串式逆变器转换成交流电后,就地升压至10KV,经开关柜通过1回出线接入至厂区10KV进线母线的用户侧,实现并网,供厂区负荷使用。结合上级变电站35KV电厂103线可接入容量为3799.12KW,本工程交流侧并网上送容量不应超过3799.12KW。根据屋面的勘查情况考虑,确定本光伏项目的建造容量为3790kWp为宜。

1、升压变压器及高低压配电设备

本项目配备1台三相交流1600KVA的干式变压器、一台三相交流2000KVA的干式变压器。额定电压10.5±2×2.5%/0.8kV。交流频率为50Hz,可以户外使用,能效等级满足国家规范要求。

2、继电保护及安全自动装置

本光伏电站内主要电气设备采用微机保护,以满足信息上送。元件保护按照《继电保护和安全自动装置技术规程》(GB14285-2006)配置。

1)并网线路继电保护及安全自动装置

分布式光伏项目线路发生短路故障时,线路保护应快速动作,瞬时跳开相应并网点断路器,满足全线故障快速可靠切除故障的要求。安装光伏发电项目的用户变电站10kV母线应配置故障解列装置,实现频率电压异常紧急控制功能,跳开相应断路器(专用开关)。

2)防孤岛检测

分布式光伏项目逆变器必须具备快速检测孤岛且监测到孤岛后立即断开与电网连接的能力,其防孤岛方案应与继电保护配置、安全自动装置和低电压检测装置等相配合,时间上相匹配。该逆变器防孤岛检测策略应符合国家电网的相应规定。

3)电能质量监测装置

分布式光伏项目对接入国网的电能质量有着相应的要求。根据国家标准,光伏发电项目的电能质量应符合《GB/T 15543-2008 光伏发电系统接入电网技术规定》等相关标准。这些标准规定了光伏发电系统接入电网的电能质量参数,包括电压、电流、频率、谐波含量等,以确保光伏发电系统与电网的稳定运行和电能质量的可靠性。

电能质量在线监测装置遵照IEC61000-4-30《测试和测量技术-电能质量测量方法》中规定的各电能质量指标的测量方法进行测量,集谐波分析、波形采样、电压暂降/暂升/终端、善变监测、电压不平衡度监测、事件记录、测量控制等功能为一体。能够实时的监测汇入电网的电能的电参量数据,装置在电能质量指标参数测量方法的标准化和指标参数的测量精度以及时钟同步、事件告警功能等各个方面均达到了国家标准要求,能够满足通过0.4-35KV电压等级并网的分布式光伏发电系统要求。

安科瑞分布式光伏监控系统在德天建材3.79mw光伏10kV(一期)项目中应用

新建光伏一次图

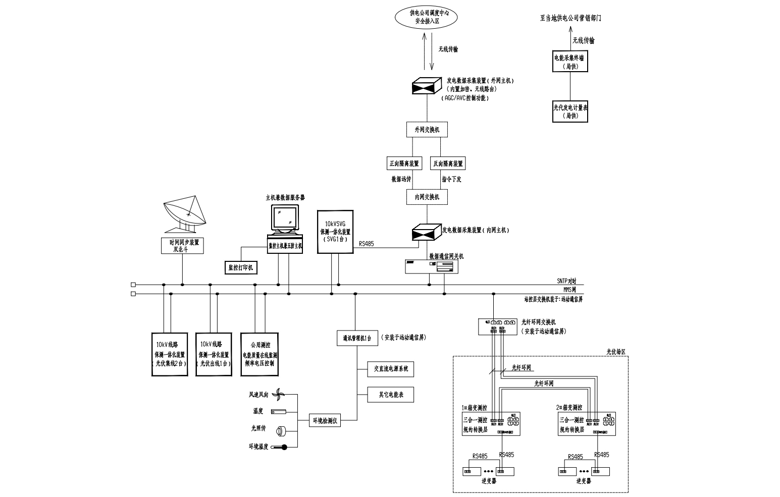
四、系统结构

本项目光伏电站配置一套综合自动化系统,采用安科瑞电气股份有限公司所提供的Acrel-1000DP分布式光伏电力监控系统具有保护、控制、通信、测量等功能,可实现光伏发电系统、开关站的全功能综合自动化管理。本项目逆变器、高低压设备等状态信号均接入本监控系统。

本项目光伏电站监控系统包括两部分:站控层和就地层,网络结构为开放式分层、分布式结构。

监控系统通过以太网与就地层相连,就地层按照不同的功能、系统划分,以相对独立的方式分散在逆变器区域或箱变中,在站控层及网络失效的情况下,就地层仍能独立完成就地各电气设备的监测。计算机监控系统通过GPRS无线方式传输给远动工作站进而与六安市电力公司实现数据通讯。

站控层由计算机网络连接的服务器、操作员站、远动站等组成,提供站内运行的人机界面,实现管理控制就地层设备等功能,形成全站监控、管理中心,并具备与远方控制中心通信的接口。

就地层设备由智能测控单元、网络系统通讯单元、逆变器数据采集单元、多功能电能表等构成,主要电气设备包括汇流柜(根据实际设计确定是否需要)、逆变器、箱变、并网开关。直接采集处理现场的原始数据,通过网络传送给站控层监控主站,同时接收站控层发来的控制操作命令,经过有效性判断、闭锁检测、同步检测等,最后对设备进行操作控制。

站控层与就地层之间的通讯网络采用GPRS无线通讯网络。

每个光伏发电单元通过有线方式利用RS485协议与发电装置进行通讯,采集每组光伏组件数据,逆变器参数,测控装置、智能计量表计的数据,打包后通过无线网络传输给监控系统实现监视。

安科瑞分布式光伏监控系统在德天建材3.79mw光伏10kV(一期)项目中应用

监控系统网络结构图

五、系统功能

1、主接线图

在此界面为项目一次设计图,可以查看直接保护装置的电量参数,监视断路器和手车的状态。装置在远方状态时可以遥控断路器的分合,实时监测厂站数据,能够及时的发现异常告警,便于及时做出相应的处理。

安科瑞分布式光伏监控系统在德天建材3.79mw光伏10kV(一期)项目中应用

2、电能报表

在监控软件中可以点击查看光伏发电项目的电能报表,报表可以使用打印机打印出,可清晰的查看历史发电量。

安科瑞分布式光伏监控系统在德天建材3.79mw光伏10kV(一期)项目中应用

3、直流屏监视界面

此界面可实时监视直流屏的电参量、通讯状态以及开关量状态。用于监视直流屏的状态,及时发现异常状态,发出报警信息。

安科瑞分布式光伏监控系统在德天建材3.79mw光伏10kV(一期)项目中应用

4、电能质量在线监视界面

在电能质量监控图中,可以直接查看电能质量装置的运行状态、电流电压总有效值、电压波动、电压总畸变、正反向有功电能、有功、无功功率等电能质量信息。可以根据这些信息监测现场电能的质量,及时的做出应对方案。

安科瑞分布式光伏监控系统在德天建材3.79mw光伏10kV(一期)项目中应用

5、实时曲线监视界面

在实时曲线界面,可以为用户显示实时数据,用户可以选择想要查看的数据,用户可以同时选择最多四个数据进行实时对比。

安科瑞分布式光伏监控系统在德天建材3.79mw光伏10kV(一期)项目中应用

六、结语

我国政府正积极推进“十二五"光伏发展规划的实现。我国到“十二五"末,光伏国内装机总量目标将由先前的15GW提升到40GW,鼓励超额完成规划目标,并且国家将大力支持、推进各类型分布式电站建设。[3]助力用户、电网分布式光伏高比例有序并网,强化分布式光伏的统一管控,推动分布式光伏和大电网的协调运行,搭建数据透明、调控便捷、能源互动的新型分布式新能源调度管理体系。在未来的发展中,我们将继续努力,为推动可再生能源的发展和应用做出更大的贡献。同时,我们也将不断提高技术水平和管理水平,确保项目的顺利实施和运行,为社会和环境的可持续发展做出积极贡献。

江苏安科瑞电器制造有限公司是安科瑞电气股份有限公司[股票代码:300286.SZ]设在江苏江阴的生产基地,在智能电力仪表行业中采用无铅生产工艺、自动化生产检测设备;...

联系我们

地址:江苏省江阴市南闸东盟工业园区东盟路5号

电话:18861632831

邮箱:panli@email.acrel.cn

关注我们

友情链接: 江苏安科瑞官网 | 江苏安科瑞微电网研究院有限公司 | 微电网能量管理事业部

Copyright © 江苏安科瑞电器制造有限公司 备案号:沪ICP备05031232号