技术文章

为企业微电网提供能效管理和用电安全解决方案

安科瑞分布式光伏监控系统在广西大唐至浦北高速高速(大茅垌)项目中应用

责任编辑:安科瑞潘丽:18706168052 阅读量: 发表时间:2025-08-05 11:15
0

一、概述

在分布式光伏是一种以太阳能光伏发电为基础的电力供应方式,与传统的集中式光伏发电不同,分布式光伏分布在用户集中的地区,是更加灵活、高效的光伏发电系统。[1]光伏发电具有显著的能源、环保和经济效益,是的绿色能源之一,在我国平均日照条件下安装1 千瓦光伏发电系统,1 年可发出1200 度电,可减少煤炭(标准煤)使用量约400 千克,减少二氧化碳排放约1 吨。根据世界自然基金会研究结果:从减少二氧化碳效果而言,安装1平米光伏发电系统相当于植树造林100 平米,目前发展光伏发电等可再生能源是根本上解决雾霾、酸雨等环境问题的有效手段之一。[2]

大塘至浦北高速公路光伏发电项目(以下简称“本项目")是响应国家“优化能源结构,提供更加清洁、可靠的能源"的号召,投资建设的分布式光伏发电应用示范项目。

本项目位于钦州市大塘至浦北高速公路浦北县大茅垌路段,利用高速公路沿线边坡建设分布式光伏发电站,项目采用“全额上网"模式,利用高速公路沿线斜坡建设分布式光伏发电项目,总建设规模约为4.08MWp。通过原有10KV更山支52+1号杆接入电网的接入系统,属于钦州市供电公司管理范围。

本期项目采用高效光伏组件,总容量为4.08MW,本项目电量结算原则为:全额上网。项目计划2025年4月底建成投产。本项目二次设计选用安科瑞Acrel-1000DP分布式光伏监控系统解决方案,光伏监控平台在配套操作系统下运行,使得本地保护、监控方案更为稳定可靠。通过本次分布式光伏的投建与实施,为用户提供了清洁、可再生的电力能源,有助于减少对传统能源的依赖,降低碳排放。

本文介绍光伏电站接入系统方案的论证,系统继电保护及安全自动装置、系统通信、系统调度自动化方案研究等。

安科瑞分布式光伏监控系统在广西大唐至浦北高速高速(大茅垌)项目中应用

项目现场图

二、解决方案

本项目为屋顶分布式光伏项目,该期项目的容量为4.08MW,项目采用全额上网的消纳方式。新增并网点设置光伏出线柜柜,计量柜,PT柜,光伏进线柜。新增的光伏系统配置自动化系统,实时采集并网信息,信息上传至当地调控中心DMS系统。光伏发电逆变器电源电压为800V,经箱变升压变升压至10kV后,通过高压电缆接入新增的10kV光伏进线柜,通过并网柜并入原有10KV六桥线。项目采用Acrel-1000DP光伏监控平台。监控平台具有对全站数据的实时观测、事故告警提示等功能。

安科瑞分布式光伏监控系统在广西大唐至浦北高速高速(大茅垌)项目中应用

项目电站编号图

三、技术方案

本项目规模约为4.08MWp,利用高速公路沿线空地建设光伏发电系统,关键设备光伏组件、逆变器、变压器等采用国内产品。分布式光伏系统所发电量采用全额上网。本项目光伏发电系统所输出的直流电经组串式逆变器转换成交流电后,就地升压至10KV,经开关柜通过1回出线接入至一次仓10KV并网柜母线,并网柜传输光伏发电至柱上开关进行并网。本工程规划拟建装机容量为4.896MWp,交流侧容量为4.08MW,按照光伏电站使用寿命25年进行计算得到,本项目平均每年发电容量为559.41KWh,25年总共发电量为13985.27KWh,计划投产时间2025年,拟采用“全额上网"模式。

1、升压变压器及高低压配电设备

本项目配备一台三相交流1000KVA的干式变压器、一台三相交流800KVA的干式变压器、一台三相交流500KVA的干式变压器、一台三相交流630KVA的干式变压器、五台三相交流630KVA的干式变压器。额定电压10.5±2×2.5%/0.8kV,接线组别为 Dy11。交流频率为50Hz,可以户外使用,能效等级满足国家规范要求。

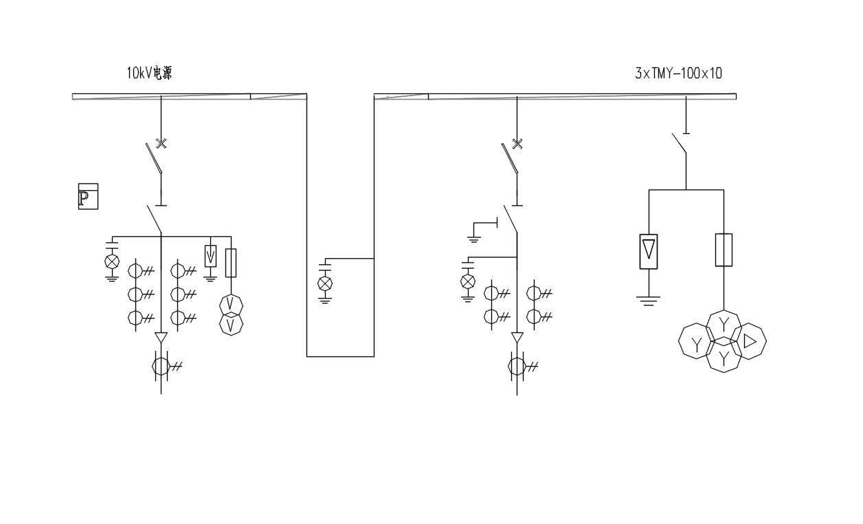
安科瑞分布式光伏监控系统在广西大唐至浦北高速高速(大茅垌)项目中应用

新建光伏一次图

2、继电保护及安全自动装置

本光伏电站内主要电气设备采用微机保护,以满足信息上送。元件保护按照《继电保护和安全自动装置技术规程》(GB14285-2006)配置。

1)防孤岛检测

分布式电源应具备快速监测孤岛且立即断开与电网连接的能力,防孤岛保护动作时间不大于2S,其防孤岛保护应与配电网侧线路重合闸和安全自动装置动作时间相配合。在本光伏电站并网点装设防孤岛保护装置,防止产生非计划性孤岛。

2)并网线路继电保护及安全自动装

分布式光伏项目线路发生短路故障时,线路保护应快速动作,瞬时跳开相应并网点断路器,满足全线故障快速可靠切除故障的要求。安装光伏发电项目的用户变电站10kV母线应配置故障解列装置,实现频率电压异常紧急控制功能,跳开相应断路器(专用开关)。

3)电能质量监测装置

根据Q/GDW10651—2015《电能质量评估技术导则》的相关要求;通过10(6)kV~35kV电压等级并网的变流器类型电源应在公共连接点装设满足GB/T19862要求的电能质量在线监测装置,以满足接入福建电网电能质量监测子站通信机的接入规范,对电压、频率、谐 波、功率因数等电能质量参数进行监测,电能质量监测数据应至少保存一年。

光伏电站应满足《国网湖北电力做好中低压分布式电源接入系统优质服务指导意见》有关电能质量要求的规定,当接入配电网的分布式电源导致公共连接点 电能质量不满足相关要求时,运营管理方应在规定时间内采取改善电能质量措施,未采取治理措施或采取改善措施后电能质量仍无法满足要求时,电网运营管理部门采取断开该分布式电源管控措施,直至电能质量满足要求时方可重新并网。

通过10KV电压等级并网的分布式电源,应具备低电压穿越能力和高电压穿越能力,高低 电压穿越的考核曲线应满足现行技术规范要求。

通过10(6)kV~35kV电压等级并网的分布式电源,应在并网运行后6个月内向县供电公司提供运行特性检测报告,检测结果应符合Q/GDW10651—2015《电能质量评估技术导则》的相  关要求。分布式电源接入电网的检测点为电源并网点,应由具有相应资质的单位或部门进行检测,并在检测前将检测方案报县供电公司调控中心备案。

在新(扩)建谐波源用户投运后,县供电公司营销部组织对用户谐波进行测试。如发现评估不超标而实测超标的用户,县供电公司营销部应对该用户下发谐波整改通知,及时落实用户谐波治理措施。

4)AGC/AVC装置

根据南网调度部门的设计要求分布式光伏项目对接入南网需要满足《光伏发电系统接入配电网技术规定(GB/T 29319-2024)》。配置AGC/AVC装置可以实现对逆变器有功功率和无功功率进行调节,满足设计所要求的“四可(可观、可测、可控、可调)"。

5)态势感知装置

根据《南方电网分布式新能源并网网络安全防拍方案》(办总调(2022)7号附件1)分布式新能源场站配置配网安全防护装置,并实现网络安全威胁的实时监测与审计,上送电力监控系统网络安全态势感知系统。配置态势感知装置能够及时的监测出潜在风险,在遭遇风险攻击时能够及时发出告警。

安科瑞分布式光伏监控系统在广西大唐至浦北高速高速(大茅垌)项目中应用

态势感知配置图

四、系统结构图

本项目光伏电站配置一套综合自动化系统,采用安科瑞电气股份有限公司所提供的Acrel-1000DP分布式光伏电力监控系统具有保护、控制、通信、测量等功能,可实现光伏发电系统、开关站的全功能综合自动化管理。本项目逆变器、高低压设备等状态信号均接入本监控系统。

本项目光伏电站监控系统包括两部分:站控层和就地层,网络结构为开放式分层、分布式结构。

监控系统通过以太网与就地层相连,就地层按照不同的功能、系统划分,以相对独立的方式分散在逆变器区域或箱变中,在站控层及网络失效的情况下,就地层仍能独立完成就地各电气设备的监测。计算机监控系统通过远动工作站GPRS公网与钦州市电力公司实现数据通讯。

站控层由计算机网络连接的服务器、操作员站、远动站等组成,提供站内运行的人机界面,实现管理控制就地层设备等功能,形成全站监控、管理中心,并具备与远方控制中心通信的接口。

就地层设备由智能测控单元、网络系统通讯单元、逆变器数据采集单元、多功能电能表等构成,主要电气设备包括逆变器、箱变、并网开关。它直接采集处理现场的原始数据,通过网络传送给站控层监控主站,同时接收站控层发来的控制操作命令,经过有效性判断、闭锁检测、同步检测等,最后对设备进行操作控制。

站控层与就地层之间的通讯网络采用GPRS无线通讯网络。

每个光伏发电单元配带无线发射功能的数据采集装置,采集每组光伏组件数据,逆变器参数,测控装置、智能计量表计的数据,打包后通过无线网络传输给监控系统实现监视。

安科瑞分布式光伏监控系统在广西大唐至浦北高速高速(大茅垌)项目中应用

监控系统网络结构图

1、实时监测

Acrel-1000DP分布式光伏监控系统人机界面友好,能够以配电一次图的形式直观显示配电线路的运行状态,实时监测各回路电压、电流、功率、功率因数等电参数信息,动态监视各配电回路断路器、隔离开关、地刀等合、分闸状态及有关故障、告警等信号。同时可以设计整体界面,供用户选择对应配电房对应光伏组件或高压部分进行查看。

安科瑞分布式光伏监控系统在广西大唐至浦北高速高速(大茅垌)项目中应用

2、电能质量监视

在电能质量监控图中,可以直接查看电流电压总有效值、电压波动、电压总畸变、正反向有功电能、有功、无功功率等电能质量信息。可以根据这些信息监测现场电能的质量,及时的做出应对方案。

安科瑞分布式光伏监控系统在广西大唐至浦北高速高速(大茅垌)项目中应用

3、实时曲线监测

在实时曲线监测界面中,用户可以根据需求直接选择所想要查看的数据,选择后可在界面中实时显示数据的变化,方便用户分析数据的变化情况,目前实时曲线支持最多四条曲线同时变化显示。

安科瑞分布式光伏监控系统在广西大唐至浦北高速高速(大茅垌)项目中应用

4、实时报表监测

在实时报表监测界面中,用户可以根据需求直接选择所想要查看数据的设备,能查询各回路或设备实时的运行参数,报表中显示的电参量信息应包括:各相电流、三相电压、总功率因数、总有功功率、总无功功率、电能,遥信量等。遥测量包括实时值(处于不同状态时应给以不同颜色区分)、测点状态(越限、置入、通信异常等)、日最值及其发生时间、日平均值等。遥信量包括实时值(处于不同状态时应给以不同颜色区分)、测点状态(置入、通信异常等)、日变位次数等,报表可以导出和打印。

安科瑞分布式光伏监控系统在广西大唐至浦北高速高速(大茅垌)项目中应用

五、结语

太阳能光伏发电市场规模在过去纪念里持续扩大,这主要是由于太阳能光伏发电成本不断下降和政府的支持[3]本项目积极响应了国家的号召,大力发展高速公路陆域光伏建设,在发展的同时需要符合当地供电局对电力安全的要求。因此分布式光伏并网过程中需要使用到一套安全可靠的分布式光伏监控系统解决方案,我司的电力监控系统方案能够为用户、电网助力分布式光伏高比例有序并网,强化分布式光伏的统一管控,具有能够推动分布式光伏和大电网的协调运行,搭建数据透明、调控便捷、能源互动的新型分布式新能源调度管理的体系。

江苏安科瑞电器制造有限公司是安科瑞电气股份有限公司[股票代码:300286.SZ]设在江苏江阴的生产基地,在智能电力仪表行业中采用无铅生产工艺、自动化生产检测设备;...

联系我们

地址:江苏省江阴市南闸东盟工业园区东盟路5号

电话:18861632831

邮箱:panli@email.acrel.cn

关注我们

友情链接: 江苏安科瑞官网 | 江苏安科瑞微电网研究院有限公司 | 微电网能量管理事业部

Copyright © 江苏安科瑞电器制造有限公司 备案号:沪ICP备05031232号