ARD系列低压电动机保护器

为企业微电网提供能效管理和用电安全解决方案

ARD系列低压电动机保护器

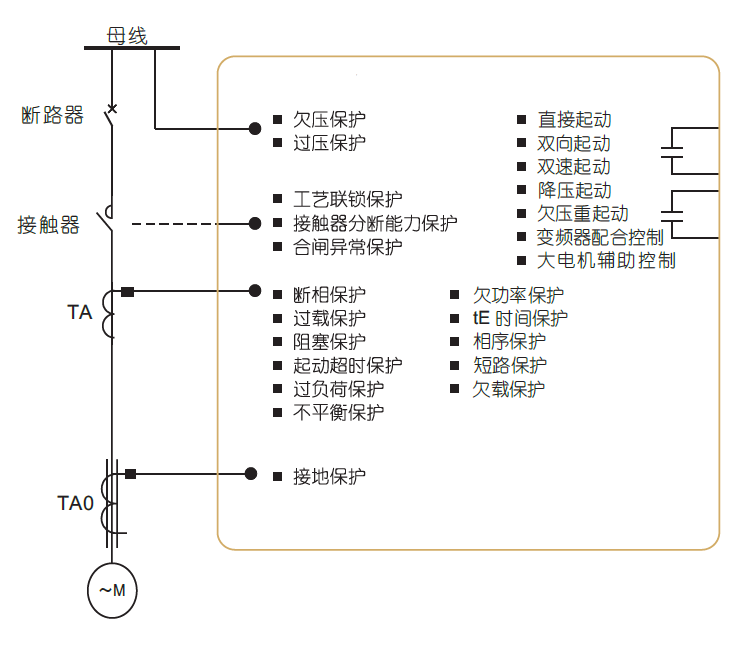
该系列低压电动机保护器,具有过载、断相、不平衡、欠载、接地/漏电、堵转等保护功能。可与接触器、电动机起动器等电器元件构成电动机控制保护单元,具有远程自动控制、现场直接控制、面板指示、信号报警、现场总线通信等功能。

  • 产品简介
  • 技术参数
  • 产品选型
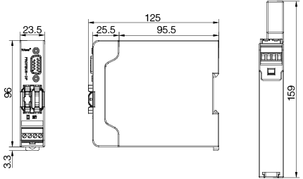
  • 外形尺寸

电机烧坏的烦恼:
烦恼一:电机经常缺相、过载,怎么办?
烦恼二:水泵老是空载、欠载,怎么办?
烦恼三:电机总是相序、过欠压,咋办?
烦恼四:设备经常三相不平衡,怎么办?电动机保护器在电机出现电流的(过流、欠流)、电压的(过压、欠压)及断相、堵转、短路、漏电、三相不平衡、过热、接地、轴承磨损、定转子偏心时、绕组老化予以报警或保护控制。
保护器的意义:

1、据不完全统计,每年仅因电机烧毁所消耗的电量就达数千万度,电机 缺相,过载而引起烧坏的数量达300多万台。
2、因电机烧毁,引起重大安全事故达5000多起。
3、因故障停工、停产造成的损失达1800万元。

应用范围:

可广泛应用于煤矿、石化、冶炼、电力、建筑等行业的配电领域。电动机保护器 是发电、供电、用电系统的重要器件,渗透制冷、电梯、包装、食品、建材、机器人、汽车、化工、纺织、医药设备、电镀、塑料造粒、航空、船舶、养殖、天车、起重机、电气电力、木工机床、密封与酒精、环保与水处理等行业的用电领域。

订货范例:

具体型号:ARD3T K1 A25/C+60L
技术要求:电动机功率5.5KW;DI为无源节点,控制DO工作电压为220V;液晶显示。
通讯协议:双路RS485接口 Modbus/RTU协议
辅助电源:AC/DC220V

我们有哪些认证?
1、3C强制性认证。
2、与增安电机配合曲线认证。
保护器是否配电流互感器?
ARD2、ARD2F、ARD3配电流互感器,但1A/5A规格,不配一次互感器。
哪个电动机保护器型号能做双通讯?
ARD3T能做双通讯
电厂项目的电动机保护器应该怎么选型号呢?
 电厂项目一般需要电压、电流全电量参数测量,带有通讯,保护器需要有自诊断输出、断电输出、故障记录,部分项目需要SU(抗晃电功能)、双通信功能。推荐型号:非双通讯ARD3-XX/ CSU – 90L / ARD3T-UAXX/ SU 60L;双通讯推荐ARD3T-UAXX/ C SU 60L;说明:选SU功能,默认带有U和SR功能
纸业项目的电动机保护器应该怎么选型号呢?
纸业项目一般需要电流测量,部分需要通讯、电压、漏电功能。推荐型号:ARD3-XX/ U C L – 90L  /ARD3T-UAXX/ L2 60L
成功案例
电厂项目:重庆白涛化工园热电联产      淄博热电厂     济南北郊      塔吉克斯坦燃煤电厂     佰能
塔吉克斯坦燃煤电厂     赞比亚电厂     加格达奇热电厂     华润盘锦热电厂     魏桥铝电
常德市生活垃圾焚烧发电    满洲里热电厂     大唐电厂     陕西华电
石化项目:垦利石化    四川永祥     盘锦浩业化工项目      宁夏保利达化工
上海石化    淄博电业局集采荣源化工    山东宏信化工     盘锦石化   南宁化工
山东联化化工    浙江化工院有限公司车间处理     山东民基化工   燕山20万吨液化气改造
南宁化工长庆油田    安瑞加石油化工项目
纸业项目:福建联盛纸业    威海龙港纸业    新阳纸业   广州越威纸业    湛江晨鸣纸业
东莞白天鹅纸业    广东玖龙纸业     广东乳源东阳光药业    广东顺龙木业   杭州新华纸业有限公司
好当家海盛纸业   河南龙丰纸业    河南裕农纸业   华发纸业(福建)    吨高强瓦楞原纸项目 
华泰纸业    浙江新华纸业
水泥项目:白川水泥   泰山石膏   蒙西水泥   蒙古国水泥厂     祁连山成县水泥
湖北华新水泥    河北天福水泥   哈尔滨水泥厂   陕西满意水泥     甘肃省祁连山文县水泥
甘肃省祁连山成县水泥    甘肃省祁连山樟县水泥

ARD系列低压电动机保护器
ARD系列低压电动机保护器
ARD系列低压电动机保护器

● ARD2(L)电动机保护器
◆ 主体模块

ARD系列低压电动机保护器


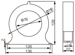
◆ 互感器
0.1A~100A互感器

ARD系列低压电动机保护器


63A~250A互感器

ARD系列低压电动机保护器


250A~800A互感器

ARD系列低压电动机保护器


100A以下漏电流互感器


100A以上漏电流互感器


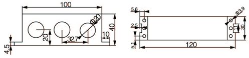
c ARD2F、ARD3电动机保护器
◆ 主体模块


◆ 显示单元


◆ 抗晃电模块


◆ AC380V电源模块


● ARD3T电动机保护器
◆ 主体模块


◆ 测量模块
电流测量模块


电流+电压测量模块


◆ 温度、模拟量、开关量模块


◆ 通讯模块


◆ 显示模块


◆ 外置电流互感器


◆ 漏电流互感器

江苏安科瑞电器制造有限公司是安科瑞电气股份有限公司[股票代码:300286.SZ]设在江苏江阴的生产基地,在智能电力仪表行业中采用无铅生产工艺、自动化生产检测设备;...

联系我们

地址:江苏省江阴市南闸东盟工业园区东盟路5号

电话:18706168052

邮箱:panli@email.acrel.cn

关注我们

友情链接: 江苏安科瑞官网 | 江苏安科瑞微电网研究院有限公司 | 微电网能量管理事业部

Copyright © 江苏安科瑞电器制造有限公司 备案号:苏ICP备08106144号-150 苏公网安备32028102003368号