技术文章

为企业微电网提供能效管理和用电安全解决方案

某机械厂光储防逆流控制设计与应用

责任编辑:安科瑞潘丽:18706168052 阅读量: 发表时间:2025-08-05 11:29
0

一、概述

在当前430与531政策背景下,光伏全额上网已不允许,在六月之后,光伏的上网电价也会变成浮动电价,光伏配储已经势在必行,主要原因有以下几种。

1、政策倒逼

先进国内大部地区明确要求新建光伏项目按10%-20%容量、2小时配储,并将储能纳入并网准入条件;随着光伏装机规模激增,电网承载力接近饱和,尤其是中东部地区分布式光伏消纳压力突出。政策通过强制配储,利用储能平抑发电波动,减少弃光现象,缓解电网调节压力电网消纳趋近饱和(尤其分布式光伏),强制配储可平抑波动、减少弃光。

2、技术刚需

光伏发电具有间歇性和不可预测性,储能系统可实时调节功率输出,减少对电网频率和电压的冲击,提升电能质量,通过“光伏+储能"模式,可将白天富余电力储存至夜间或阴雨天使用,减少对电网依赖,用户侧能源收益。

3、经济可行

储能电芯成本不断下降,同时储能系统可通过低电价时段充电、高电价时段放电实现峰谷套利。搭配辅助服务收益,回收期大幅缩短,光储度电综合成本降低,经济性凸显。

4、转型支撑

储能增强电网调频与电压支撑能力,助力“双碳"目标(典型项目年减碳千吨),叠加构网型储能技术成熟,驱动新能源从“被动并网"转向“主动支撑",加速能源体系重构。

5、未来趋势

光伏强制配储的核心逻辑是政策合规性、技术必要性与经济可行性三者的结合。短期看,政策压力与消纳瓶颈是直接推手;长期看,储能技术进步与成本下降将使其成为能源转型的必然选择。

二、项目情况

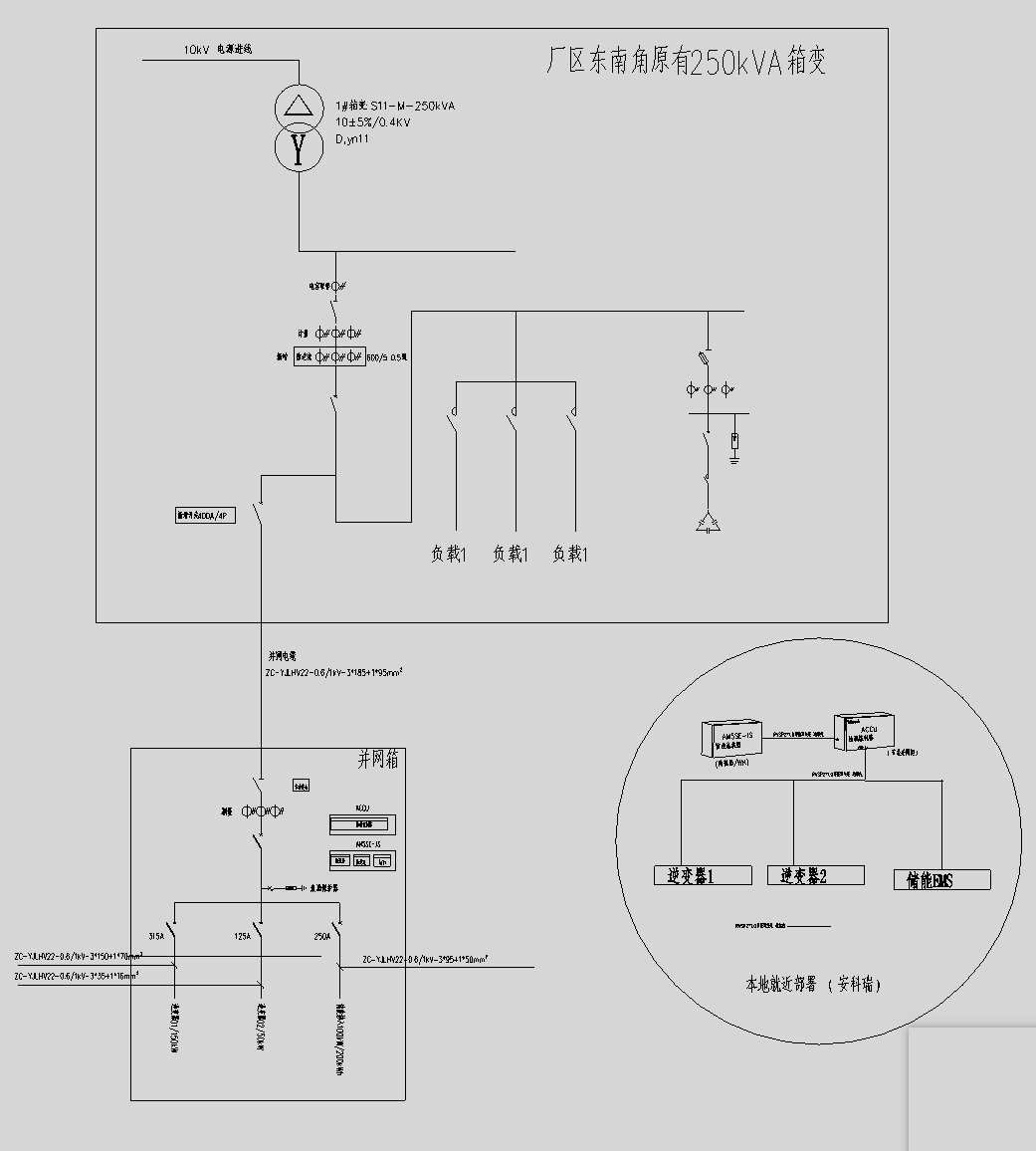
山东龙强机械制造厂分布式光储协调项目光伏建设项目光伏建设总装机容量为200kW,储能装机通量为100kW/215kWh,建设区域位于山东省寿光市。本项目包括光伏发电系统、1台变压器、1台150kW逆变器和1台50kW逆变器。其中设置并网点1处,光伏储能共用一个并网柜。

各逆变器将由电池组件输出的直流电转化为交流电(0.4kV),采用电缆引至并网点的变压器(0.4kV)下端。经过变压器升压至10kV后通过输电线路汇流接入10kV外线后接入当地电网。

某机械厂光储防逆流控制设计与应用

根据当地电力公司的要求,本光储协调项目,只能就地消纳,禁止余电电网。

三、解决方案

为了实现上述目标,通过在公共连接点安装防逆流保护装置,一旦检测到逆流,就会通过通信接口发送信号给ACCU-100协调控制器,通过监测市电总进线处的功率和实时的发电功率,经过协调控制器的计算生成对应的逆变器调节指令和储能充放电功率指令,来实现光伏防逆流的柔性调节功能和在防逆流前提下储能对光伏的消纳功能。这种方法既可以保证电力系统按照设计运行,保护电网的安全和稳定,又可以最大会利用光伏发电,降低用户用能成本。控制方案如下:

某机械厂光储防逆流控制设计与应用

方案典型配置如下:

某机械厂光储防逆流控制设计与应用

系统组网图如下:

某机械厂光储防逆流控制设计与应用

四、方案效果

ACCU-100协调控制通过将分布式光伏和储能的资源统一整合起来,进行监测与管理,通过对市电交互点的功率值进行实时监控,即可分析出当前的光伏发电情况,负荷用电情况,协调控制器既可以使用这些采集到的信心进行数据分析和策略决定,即根据负荷用电需求实时调整各个光伏单元的输出功率以及储能充放电功率,确保光伏系统的电力不对电网反向送电的同时,控制储能系统进一步消纳光伏。既可以在防逆流综保跳开并网柜前,系统通过下发逆变器功率调节命令和储能充放电功率的指令来实现柔性调节的目的,进而提高微电网系统的稳定性和可靠性。

某机械厂光储防逆流控制设计与应用

五、结语

本机械厂光储防逆流项目的落地,不仅实现了光伏能源的高效自用与电网安全的双重保障,更通过储能系统的柔性调节与智能管理平台的协同运作,降低了生产用电成本,该方案以 “源网荷储" 一体化思维破解工业场景高能耗难题,既满足 “自发自用、余电不上网" 的政策合规要求,又通过峰谷套利与能效优化为企业创造直接经济价值。未来,随着构网型储能技术与智慧能源平台的深度融合,此项目将成为机械制造行业能源转型的案例,推动传统工业向低碳化、智能化生产模式加速迈进。

江苏安科瑞电器制造有限公司是安科瑞电气股份有限公司[股票代码:300286.SZ]设在江苏江阴的生产基地,在智能电力仪表行业中采用无铅生产工艺、自动化生产检测设备;...

联系我们

地址:江苏省江阴市南闸东盟工业园区东盟路5号

电话:18861632831

邮箱:panli@email.acrel.cn

关注我们

友情链接: 江苏安科瑞官网 | 江苏安科瑞微电网研究院有限公司 | 微电网能量管理事业部

Copyright © 江苏安科瑞电器制造有限公司 备案号:沪ICP备05031232号