市政工程

为企业微电网提供能效管理和用电安全解决方案

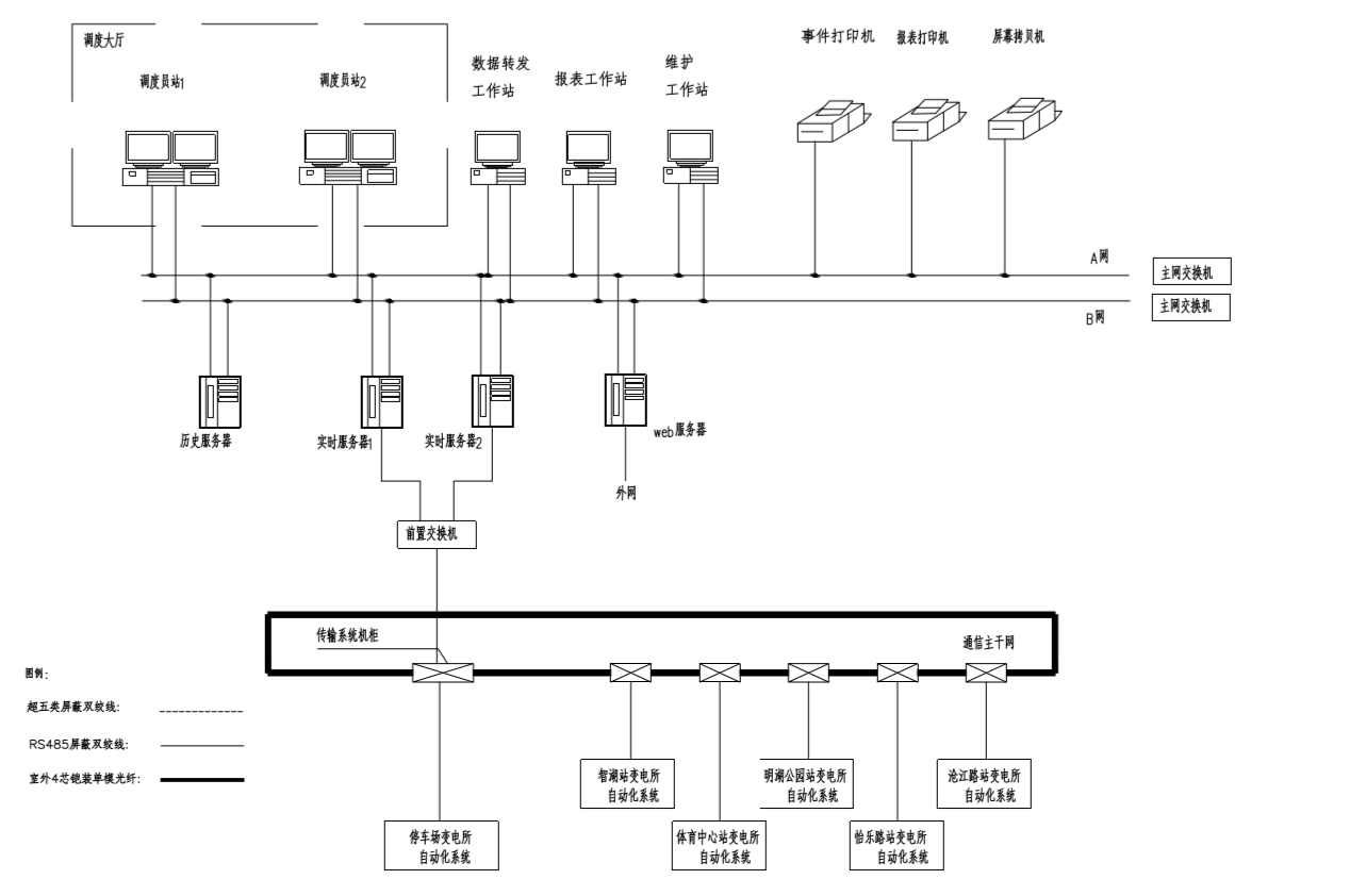
安科瑞Acrel-2000电力监控系统为“未来氢城”助力-​城市氢轨启未来

责任编辑:安科瑞潘丽:18706168052 阅读量: 发表时间:2021-01-22 22:48
0
       高明有轨电车成网红打卡点!说起佛山谁火?当然要数高明有轨电车啦,作为世界商业运营氢能源有轨电车,TA颜值高、性能强,还非常绿色环保;高明区现代有轨电车示范线首期工程线路全长约6.6公里,南起沧江路与中山路交叉口,北止于西江新城智湖,一列氢能源有轨电车电车上线,承载的不仅是乘客出行,更是佛山对发展氢能产业、实现高质量发展的强烈愿望。11月29日,《佛山市高明区氢能源产业发展规划(2019~2030年)》正式发布。根据规划,高明区将建设成为全国氢能源产业发展先行示范区,通过打造“氢能源轨道交通装备制造基地”和 “氢能源空港示范区”,争取到2030年建成以氢能轨道交通、临空氢能经济、西江氢能旅游为主要特色的“中国氢城”。安科瑞电气股份有限公司为该项目提供电力监控系统解决方案,保障各个环节的配电安全、可靠,及时切除故障回路以保障整个配电网络的正常运行。
 
安科瑞Acrel-2000电力监控系统为“未来氢城”助力-​城市氢轨启未来
安科瑞Acrel-2000电力监控系统为“未来氢城”助力-​城市氢轨启未来
       系统以配电一次图的形式直观显示配电线路的运行状态,实时监测各回路或设备电压、电流、功率、功率因数、电能等电参数信息,动态监视各配电回路断路器、隔离开关、地刀等合、分状态,以及有关故障、告警等信号,实现对10kV、0.4kV断路器,电动隔离开关,有载调压开关等远方控制功能等。
  安科瑞能效管理系统包括变电所运维云平台安全用电管理云平台环保用电监管云平台预付费管理( 系统 )云平台、泛在电力物联网云平台、智能变配电监控系统、电能质量治理系统、建筑能耗管理系统、工业企业能源管控平台、电气火灾监控系统消防设备电源监控系统防火门监控系统消防应急照明和疏散指示系统充电桩收费管理云平台、数据中心动环监控系统、电能管理系统无线测温系统、智慧管廊综合监控和报警系统、智能照明控制系统、IT配电绝缘监测等系统及相关产品。
 

江苏安科瑞电器制造有限公司是安科瑞电气股份有限公司[股票代码:300286.SZ]设在江苏江阴的生产基地,在智能电力仪表行业中采用无铅生产工艺、自动化生产检测设备;...

联系我们

地址:江苏省江阴市南闸东盟工业园区东盟路5号

电话:18861632831

邮箱:panli@email.acrel.cn

关注我们

友情链接: 江苏安科瑞官网 | 江苏安科瑞微电网研究院有限公司 | 微电网能量管理事业部

Copyright © 江苏安科瑞电器制造有限公司 备案号:沪ICP备05031232号