教育医疗

为企业微电网提供能效管理和用电安全解决方案

AM5-F线路保护装置逆功率保护在上海市公用事业学校燃气发电工程中的设计与应用

责任编辑:安科瑞潘丽:18706168052 阅读量: 发表时间:2021-02-27 08:43
0
摘要:目前,微机保护装置广泛应用于电力系统中,该类装置能够监测电力系统的运行状况,并实时记录电力系统出现故障的位置及性质,从而为故障的快速处理提供参考信息。本文介绍的AM5-F线路保护装置逆功率保护功能,可以对低压进线柜的电压、电流进行实时监测,当检测到回路有逆向电流流过且逆向功率值超过设定值时,装置发出逆功率跳闸命令跳开断路器,防止燃油发电机通过配电变压器向电力系统反向送电,影响电力系统的安全运行。
关键词:逆功率保护;实时监测;反向送电;安全运行。
 
01 概述
上海市公用事业学校创建于1960年8月,隶属于上海市交通委员会。2005年被命名为“市行为规范示范校”,1995年以来连续十届被评为市文明单位,2010年被交通运输部命名为“交通部中等职业教育示范校”。学校拥有三个校区(凯旋校区、漕宝校区,嘉定校区),学校建有覆盖校区联通INTERNET的校园网络系统、配有多媒体教学设施和信息控制中心、卫星小站、210座的多功能报告厅、大小会议室及705台电脑的计算机房、电子阅览室,图书馆藏书10万余册。学校还建有配套齐全的校内实验、实习、实训场所,学校还与相关企业联合,建立了稳固的实习、实训基地。
本次项目为上海市公用事业学校嘉定校区修缮工程二期10/0.4KV用户变电站项目,该变电站供电系统为两段母线系统,每段母线分别为一个变压器进线带所有用电负荷,此外,此次改造新增天然气发电机组并网柜,原有低压变压器进线柜增加低压电流互感器1000/5A,共6只,且在两个进线柜上增加逆功率保护功能,出线柜采用低压母线槽630A接至原有低压电容补偿柜。
 
02 产品需求
本次针对上海市公用事业学校嘉定校区修缮工程二期10/0.4KV用户变电站装设AM5-F线路保护装置,主要是利用装置中的逆功率保护功能实现对整个系统的保护作用。
逆功率保护功能主要应用于发电机并网或者光伏供电系统中,对于本项目而言,正常运行时,由市电经由10/0.4KV变压器给整个变电站用电负荷供电,当市电停电时,此时需要利用燃气发电给整个变电站供电,若此时燃气发电机的功率过高,发出的电除供给整个变电站使用,还会通过配电变压器向电力系统反向送电,影响电力系统的安全运行,同时也需要合理使用燃气发电机供电,减少用户用电成本,因此,需要对并网柜进行安全控制。
逆功率保护功能主要是监测三相电压以及三相测量电流,当检测到回路有逆向电流流过且逆向功率值超过设定值时,装置经可设置延时发出逆功率跳闸命令跳开断路器,停止送电。保护逻辑如下图。
AM5-F线路保护装置逆功率保护在上海市公用事业学校燃气发电工程中的设计与应用
图1 逆功率保护逻辑
 
 03 产品方案
本工程总共有两段低压母线,每段低压母线有一个变压器进线柜,四个负载配电柜,新增的发电机并网柜需分别向两段母线供电,对于此项目,需要在并网柜处装设AM5-F线路保护装置,由于有两个进线柜,所以需要装设两台AM5-F线路保护装置分别实现并网柜和两台进线柜之间的逆功率保护功能,整个配电室上图方案如下:
AM5-F线路保护装置逆功率保护在上海市公用事业学校燃气发电工程中的设计与应用
图2 配电室上图方案
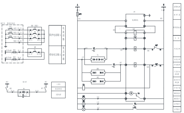
针对本项目的一次方案及二次图纸设计如下:
AM5-F线路保护装置逆功率保护在上海市公用事业学校燃气发电工程中的设计与应用
图3 一次方案设计图
AM5-F线路保护装置逆功率保护在上海市公用事业学校燃气发电工程中的设计与应用
图4 并网柜二次原理图
 04 现场调试
在与客户进行了沟通的基础上,我司本着客户至上的服务原则,于2020年11月21日至上海市公用事业学校对该两台线路保护装置逆功率保护功能进行现场调试。
4.1 测试仪器和保护装置
AM5-F线路保护装置逆功率保护在上海市公用事业学校燃气发电工程中的设计与应用
图5 现场AE型继电保护测试仪电压电流接线
AM5-F线路保护装置逆功率保护在上海市公用事业学校燃气发电工程中的设计与应用
4.2 测试项目
根据现场施工图纸及客户需求,本次逆功率保护按功率22kW、相电压220V、功率因数为1考虑,有功功率按照±3%下限整定,现场整定值为21.34kW。由于所带的继电保护测试仪可提供120V单相电压,因此为模拟现场所需380V线电压,特将PT变比设为2进行测试。装置定值设置见下表:
AM5-F线路保护装置逆功率保护在上海市公用事业学校燃气发电工程中的设计与应用
表1 AM5-F现场定值设置
4.3 测试流程
4.3.1 根据表1所示进行现场接线与定值设置。
4.3.2 在交流输入端子X1.11-X1.12、X1.13-X1.14、X1.15-X1.16施加0.17A电流信号,在端子X1.17-X1.18、X1.19-X1.20、X1.21-X1.22施加109.7V电压信号,且施加的电压电流信号功率因数角为0°,具体设置如图8、图9所示。此时,保护不动作,断路器处于合闸状态,如图10、图11所示。
AM5-F线路保护装置逆功率保护在上海市公用事业学校燃气发电工程中的设计与应用
AM5-F线路保护装置逆功率保护在上海市公用事业学校燃气发电工程中的设计与应用
 
4.3.3 将施加的电压相位调整180°,此时功率因数为-1,满足逆功率保护动作条件,保护瞬间完成动作,装置液晶屏显示动作事件记录,断路器由合闸状态切换至分闸状态,具体如图12、图13、图14所示。
AM5-F线路保护装置逆功率保护在上海市公用事业学校燃气发电工程中的设计与应用
 
AM5-F线路保护装置逆功率保护在上海市公用事业学校燃气发电工程中的设计与应用
图14 断路器分闸状态
4.4 测试结论
本次测试对两台AM5-F线路保护装置进行了逆功率保护功能验证,测试结果均符合用户技术要求。AM5-F线路保护装置的逆功率保护功能能够防止电路回流,逆功率保护动作时功率为-21.375kW,功率因数为-0.992,完全满足现场技术要求。
 
05 结束语
逆功率保护功能是不可逆并网系统中的重要组成部分,许多重要场所0.4kV的低压变电站都会引入燃油发电机或者小型光伏变电站,这些基本为用户侧自备式电源系统,自发自用,不向中压电网或高压电网馈电。本文介绍的AM5-F线路保护装置逆功率保护功能,可以对低压进线柜的电压、电流进行实时监测,当检测到回路有逆向电流流过且逆向功率值超过设定值时,装置发出逆功率跳闸命令跳开断路器,防止燃油发电机通过配电变压器向电力系统反向送电,影响电力系统的安全运行。

江苏安科瑞电器制造有限公司是安科瑞电气股份有限公司[股票代码:300286.SZ]设在江苏江阴的生产基地,在智能电力仪表行业中采用无铅生产工艺、自动化生产检测设备;...

联系我们

地址:江苏省江阴市南闸东盟工业园区东盟路5号

电话:18706168052

邮箱:panli@email.acrel.cn

关注我们

友情链接: 江苏安科瑞官网 | 江苏安科瑞微电网研究院有限公司 | 微电网能量管理事业部

Copyright © 江苏安科瑞电器制造有限公司 备案号:苏ICP备08106144号-150 苏公网安备32028102003368号