工矿企业

为企业微电网提供能效管理和用电安全解决方案

电力监控系统在通化市锅炉房项目的研究与应用

责任编辑:安科瑞潘丽:18706168052 阅读量: 发表时间:2021-02-23 14:07
0
摘要:采用多功能电力仪表、微机保护装置采集高压配电柜的各种电参量和开关信号。系统采用现场就地组网的方式,通过RS485线远传串口服务器,再通过网线至后台,通过Acrel-2000Z型电力监控系统实现配电所配电回路用电的实时监控和管理。
关键词: Acrel-2000Z;电力监控系统。

0概述
本项目位于位于吉林通化市,包含万家驹锅炉房电源工程、景泰锅炉房电源工程东岭锅炉房电源工程。高压配电室内合计安装了12台AM5SE系列微机保护装置和140台PZ系列多功能仪表。
 
1需求分析
为保证用电负荷的统计与分析及对危险源实时监控。需要对现场的配电柜进行电压、电流、功率以及各开关量信号等参数进行实时在线监控。一旦监控点被监视参数异常,能够及时检测报警,有关人员采取必要的措施,避免安全事故的发生。自动抄表功能节省了人力物力,电流趋势曲线功能能够直观的显示各回路的工作状态与时间。
数据采集
支持实时采集、自动周期采集(定时采集)可配置周期(1分钟~24小时)。
支持多线程处理机制,提高数据采集效率,能同时对多个设备进行数据采集。
数据实时显示采用配电室主接线图直观显示模式,各回路开关断合以及故障状态直观可见。
数据查询与展示
要求能方便实现各级管理人员的查询,查询界面能适应各级管理人员的要求能够支持灵活的条件组合查询。
数据展示功能按照不同用户的不同的权限,分为操作层、管理层、决策层三层用能展示。
权限管理
要求对不同用户赋予不同角色的权限,能授权到功能子菜单、具体档案记录、数据记录等。
系统要求具备合理完善的用户安全控制机制,能使应用环境中的信息资源得到保护,防止信息的丢失、失窃和破坏。
故障报警
故障判断与报警具有故障自动判断并采用声光方式报警功能。报警类型包括开关故障,电压、电流超限,多功能仪表与监控系统通讯故障等。报警时间自动记入系统数据库,方便用户查询,工作人员可随时掌握箱变配电回路的实时运行状态,发现变配电运行故障并作出相应处理,提高变配电的管理效率,提升电力系统安全性、可靠性。
 
2 系统方案
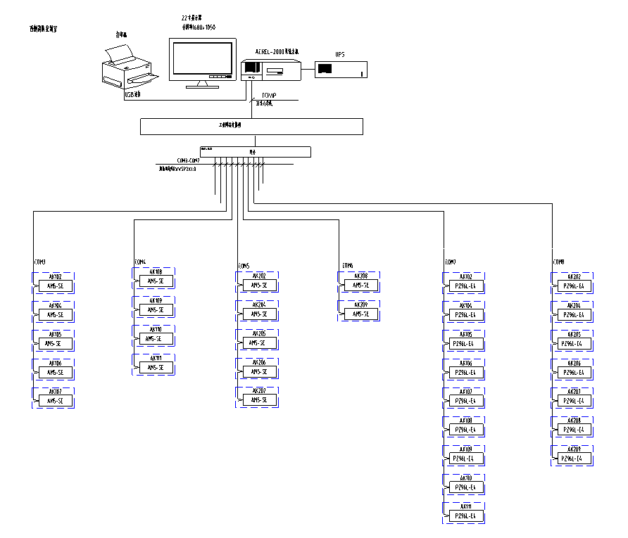
安科瑞Acrel-2000Z系统根据现场实际情况,放置一台ANET-2E8S1通讯管理机,保障了变电所电力监控系统传输的稳定性与实时性。如下图所示:
电力监控系统在通化市锅炉房项目的研究与应用
系统结构拓扑图
2.1 站控管理层
站控管理层针对电力监控系统的管理人员,是人机交互的直接窗口。在本项目中主要指置于监控室的监控主机。
2.2 网络通讯层
通讯层主要是由以总线网络组成。总线网络的主要功能是实现现场多功能仪表与站控管理层之间的数据交互,使配电系统管理集中化、信息化、智能化,很大提高了配电系统的安全性、可靠性和稳定性,达到了无人值守的目的。
2.3 现场设备层
现场设备层是数据采集终端,主要由配电柜内多功能仪表组成,智能设备通过屏蔽双绞线RS485接口,采用MODBUS通讯协议总线连接接入监控主机进行组网,实现远程控制。
低压电力仪表现场连接示意
现场多功能仪表以手拉手方式通过屏蔽双绞线(RVSP2*1.0)进行通讯连接,每根总线低压电力仪表25只左右。具体连接示意图如下所示:
电力监控系统在通化市锅炉房项目的研究与应用
通讯线路连接示意图
 
3 系统功能
配电所实时监控系统图为主监控画面,主要实时监测变电所内所有配电回路的运行状态。在系统图中可以直观的看到配电回路的运行参数和状态,如:三相电压、电流、有功功率、无功功率、功率因数、频率等。
电力监控系统在通化市锅炉房项目的研究与应用
事件告警记录功能,主要完成对查询时间段内出现的报警信息事件记录以及发生时间,为值班人员提供依据并且分析事故发生的原因。
电力监控系统在通化市锅炉房项目的研究与应用
参数抄表功能,主要对低压配电各回路的电参数进行查询。支持任意时刻电参数查询,具备数据导出和报表打印等功能。该报表各回路名称和数据库关联,方便用户修改回路名称。
电力监控系统在通化市锅炉房项目的研究与应用
负荷曲线界面,可以查询各个回路的历史功率负荷曲线。
电力监控系统在通化市锅炉房项目的研究与应用
权限管理,可以给不同的用户设置不同的权限,防止越权操作。
 
4 结束语
在当今配电设施的应用中,变电所的配电安全性至关重要,本文介绍的通化市锅炉房项目变速器建设项目电力监控系统,可以实现对变电所供配电回路用电的实时监控。系统实现对采集数据的分析、处理,实时显示中心配电室内各配电回路的运行状态,对分合闸、负载越限具有弹出报警对话框、报警声音提示,该系统运行安全、可靠、稳定,保证了大型公共建筑的用电可靠度。

江苏安科瑞电器制造有限公司是安科瑞电气股份有限公司[股票代码:300286.SZ]设在江苏江阴的生产基地,在智能电力仪表行业中采用无铅生产工艺、自动化生产检测设备;...

联系我们

地址:江苏省江阴市南闸东盟工业园区东盟路5号

电话:18706168052

邮箱:panli@email.acrel.cn

关注我们

友情链接: 江苏安科瑞官网 | 江苏安科瑞微电网研究院有限公司 | 微电网能量管理事业部

Copyright © 江苏安科瑞电器制造有限公司 备案号:苏ICP备08106144号-150 苏公网安备32028102003368号